PRODUCTS


INA
SL185040-TB-BR-C3
Cylindrical roller bearing SL185040-TB-BR-C3
加入詢價
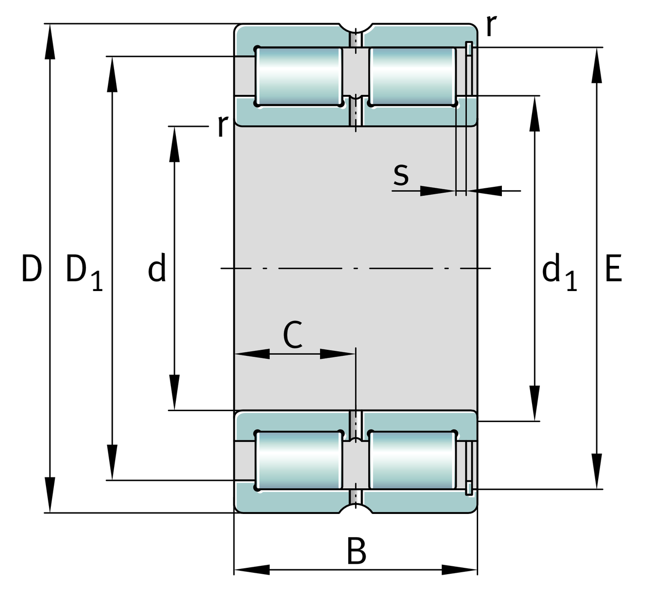
主要尺寸與性能資料
d
200 mm
內徑
D
310 mm
外徑
B
150 mm
寬度
Cr
1,630,000 N
基本額定動載荷,徑向
C0r
3,000,000 N
基本額定靜態負荷,徑向
Cur
375,000 N
疲勞負載極限,徑向
nG
1,230 1/min
極限轉速
nϑr
710 1/min
參考轉速
≈m
40.4 kg
重量

安裝尺寸
dc min
236.5 mm
最小軸肩
da min
236.6 mm
軸肩最小直徑
Da max
276.5 mm
殼肩最大直徑
ra max
2.1 mm
最大凹槽半徑
De min
274.9 mm
外殼肩部最小直徑

尺寸
rmin
2.1 mm
最小倒角尺寸
r1 min
2.1 mm
最小倒角尺寸
s
8.9 mm
軸向位移
C
75 mm
至潤滑孔距離
d1
236.6 mm
內圈最大擋邊直徑
D1 min
274.9 mm
外圈最小擋邊直徑
E
287.8 mm
外圈滾道直徑

溫度範圍
Tmin
-30 °C
最低工作溫度
Tmax
120 °C
最高操作溫度

您目前的產品型號
DesignTBBearings with increased axial load capacity
Radial internal clearanceC3 (Group 3)內部間隙大於CN
Tolerance classPN正常(PN)
Number of rolling element rows2雙列設計
加入詢價