PRODUCTS


INA
SL045040-D-PP-C3
Cylindrical roller bearing SL045040-D-PP-C3
加入詢價
主要尺寸與性能資料
d
200 mm
內徑
D
310 mm
外徑
B
150 mm
寬度
Cr
1,350,000 N
基本額定動載荷,徑向
C0r
2,600,000 N
基本額定靜態負荷,徑向
Cur
315,000 N
疲勞負載極限,徑向
nG Grease
610 1/min
脂潤滑的極限轉度
≈m
39.4 kg
重量

安裝尺寸
Ca1
120 mm
卡環 WRE 的安裝尺寸(不包含在供貨範圍內) 公差:0/-0,2
Ca2
116 mm
固定環安裝尺寸符合 DIN 471 標準(交貨時不包括) Tol:0/-0,2
d1
243.5 mm
內圈擋邊直徑
d2
267 mm
密封直徑(肋部)
d3
336 mm
外徑 of snap ring WRE
d1 min
243.5 mm
軸肩最小直徑
30 °
倒角角度
-0.2 mm
較低距離的卡環公差
-0.2 mm
較低距離的擋圈公差
0 mm
卡環距離公差上限
0 mm
上距離擋圈公差
0 mm
較低距離的環槽公差
0.2 mm
上距環槽公差

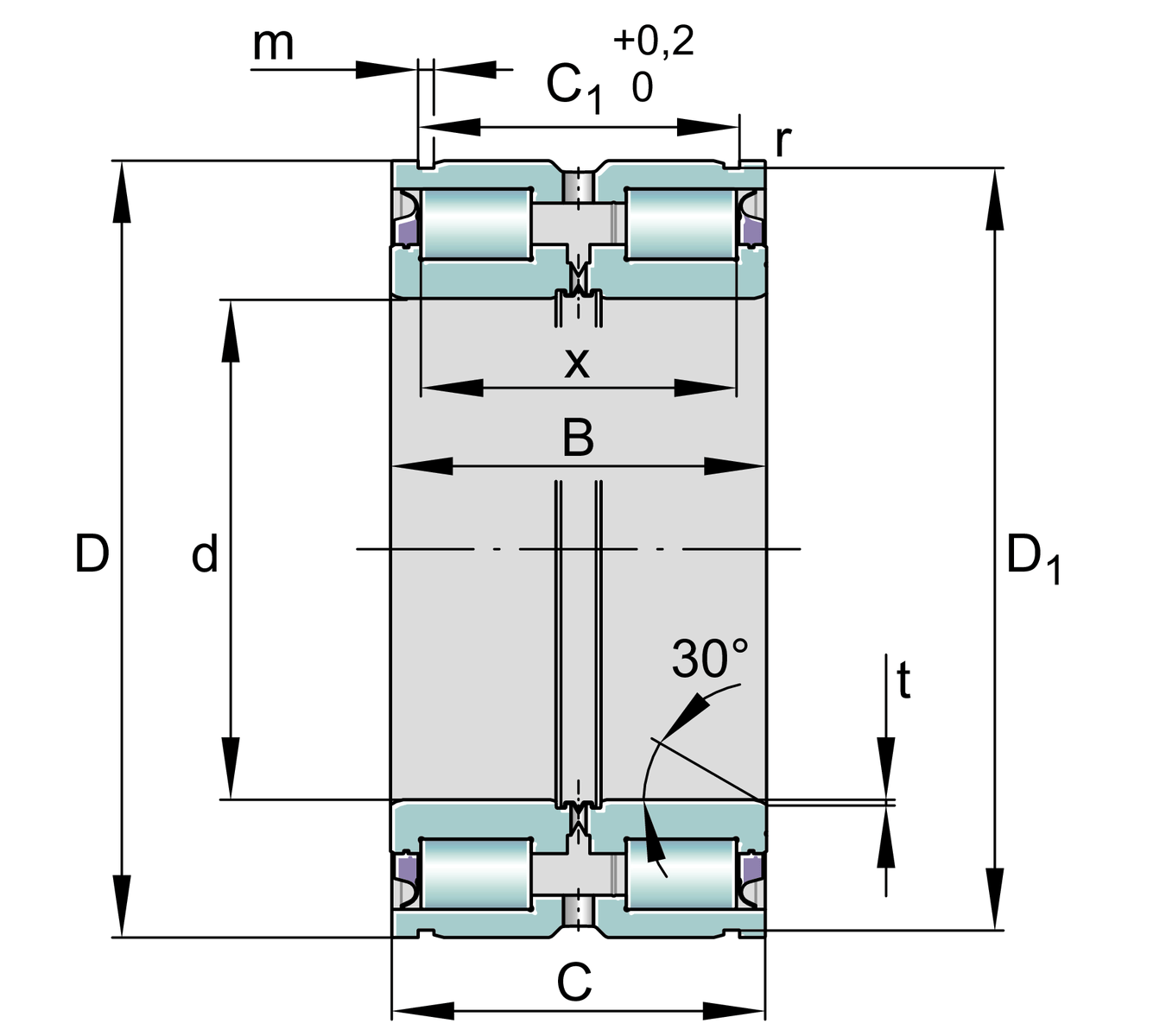
尺寸
C
149 mm
外圈寬度
C1
128.2 mm
環槽距離
D1
304 mm
溝槽直徑
m
6.3 mm
滾道寬度
rmin
0.6 mm
最小倒角尺寸
t
2 mm
倒角寬度
X
126 mm
滾動體之間的距離

溫度範圍
Tmin
-30 °C
最低工作溫度
Tmax
80 °C
最高操作溫度

您目前的產品型號
DesignD新的外輪廓
SealingPP兩側接觸式密封
Radial internal clearanceC3 (Group 3)內部間隙大於CN
Tolerance classPN正常(PN)
Number of rolling element rows2雙列設計
加入詢價