PRODUCTS
- 首頁
- 產品介紹
| lk max | 4,000 mm | Max. length 1 |
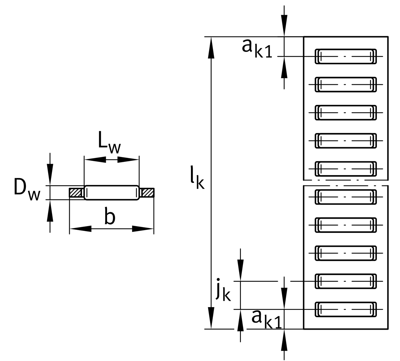
| DW | 3.5 mm | Rolling element diameter |
| b | 25 mm | |
| C | 68,200 N | Load capacity dyn. 2 |
| C0 | 190,000 N | Load capacity stat. 2 |
| ≈m | 294 g/m | 重量 |
| EB | 25.4 mm | |
| Tol EB | +0,2 | tolerance |
| EB1 | 18 mm | min. |
| EH | 3.2 mm |
| LW | 17.8 mm | Length rolling element |
| jk | 7 mm | |
| ak1 | 5 mm |
J5530, S5530 | Associated rail |
| Size code | 25 |