PRODUCTS
- 首頁
- 產品介紹
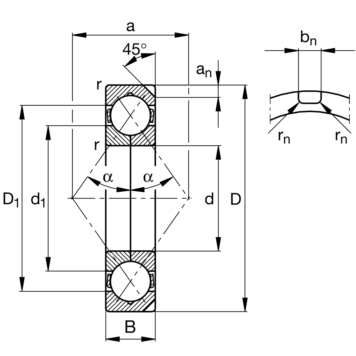
| d | 180 mm | 內徑 |
| D | 380 mm | 外徑 |
| B | 75 mm | 寬度 |
| Cr | 690,000 N | 基本額定動載荷,徑向 |
| C0r | 1,130,000 N | 基本額定靜態負荷,徑向 |
| Cur | 38,500 N | 疲勞負載極限,徑向 |
| nG | 3,000 1/min | 極限轉速 |
| nϑr | 1,420 1/min | 參考轉速 |
| ≈m | 43.8 kg | 重量 |
| da min | 197 mm | 軸肩最小直徑 |
| Da max | 363 mm | 殼肩最大直徑 |
| ra max | 3 mm | 最大圓角半徑 |
| rmin | 4 mm | 最小倒角尺寸 |
| D1 | 312.4 mm | 外圈肩徑 |
| d1 | 250.4 mm | 內圈肩徑 |
| a | 196.1 mm | 壓力錐頂點之間的距離 |
| an | 12.7 mm | 固定槽高度 |
| bn | 10.5 mm | 固定槽寬度 |
| rn | 2 mm | 半徑固定槽 |
45 ° | 角度固定槽 | |
| α | 35 ° | 接觸角 |
| Tmin | -30 °C | 最低工作溫度 |
| Tmax | 200 °C | 最高操作溫度 |
| Design, bearing outer ring | N2 | 外圈一側有兩個固定槽 |
| Cage | MPA | 黃銅實體保持架,外圈引導 |
| Tolerance class | PN | 正常(PN) |
| Dimensional / heat stabilization | S1 | 環尺寸穩定達 200° |
| Axial internal clearance | CN | 正常組(標準間隙) |