INA
RAE35-XL-NPP-B
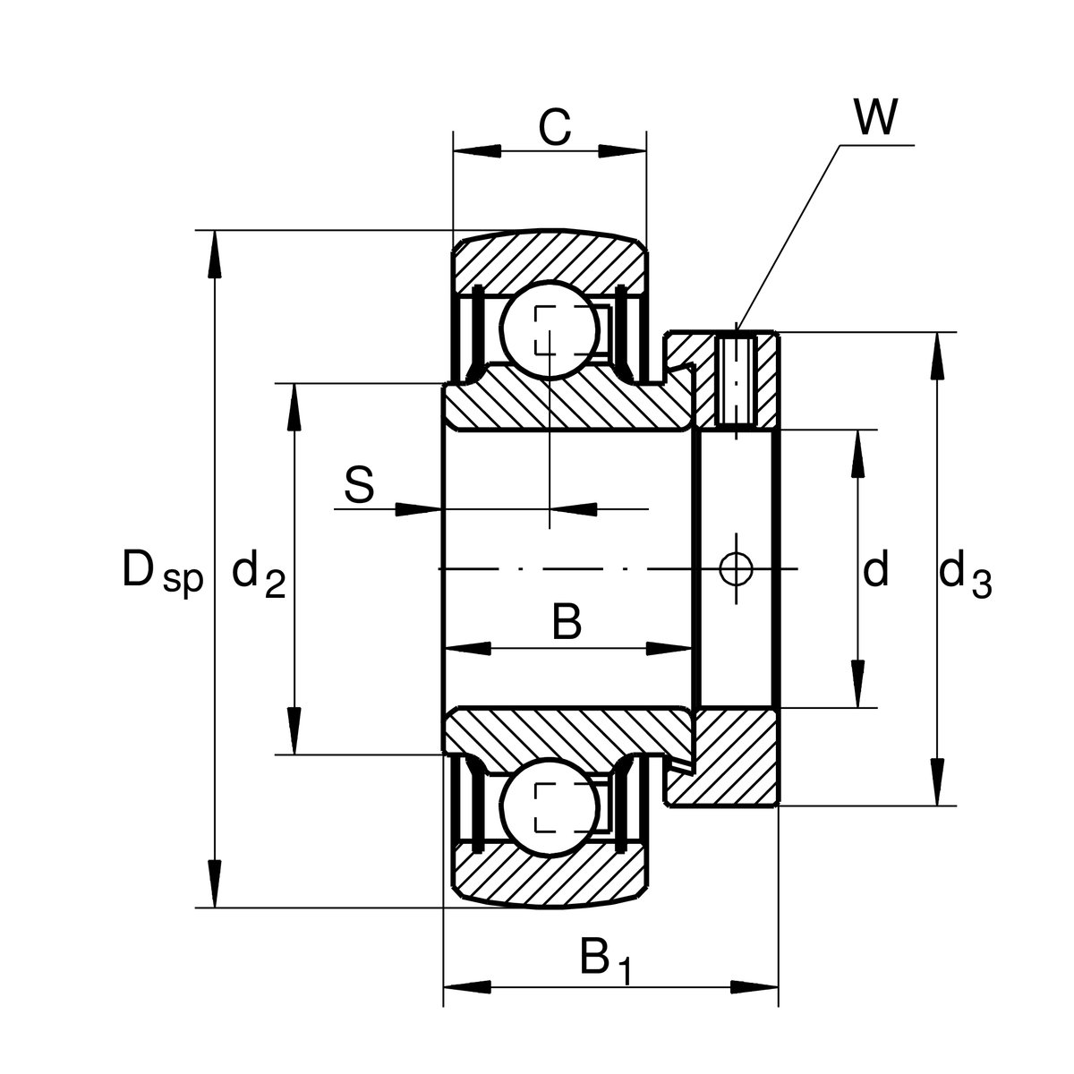
Radial insert ball bearing RAE35-XL-NPP-B
加入詢價
主要尺寸與性能資料
| d | 35 mm | 內徑 |
| DSP | 72 mm | 外徑 |
| B | 25.4 mm | 寬度 |
| Cur | 650 N | 疲勞負載極限,徑向 |
| B1 | 39 mm | 鎖環總寬度 |
| Cr | 25,500 N | 基本額定動載荷,徑向 |
| C0r | 15,300 N | 基本額定靜態負荷,徑向 |
| ≈m | 0.52 kg | 重量 |
尺寸
| C | 19 mm | 外圈寬度 |
| S | 9.5 mm | 滾道距離 |
| d2 | 44.6 mm | 密封內圈擋邊直徑 |
| d3 | 55 mm | 鎖緊環/鎖緊螺帽外徑 |
| W | 5 mm | 平面寬度 |
您目前的產品型號
| Sealing | NPP | 兩側唇形密封 |
| Shape of outer surface | B | |
加入詢價
Radial insert ball bearing RAE35-XL-NPP-B
已將您選擇的品項
加入詢價清單
非常感謝您!
選擇更多商品
瀏覽詢價清單