PRODUCTS
- 首頁
- 產品介紹
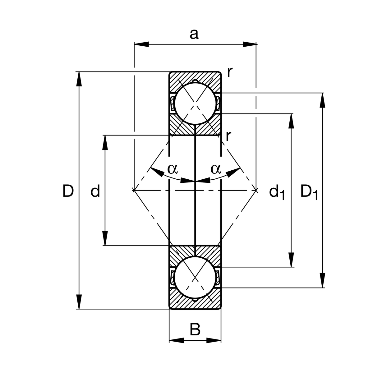
| d | 35 mm | 內徑 |
| D | 80 mm | 外徑 |
| B | 21 mm | 寬度 |
| Cr | 65,000 N | 基本額定動載荷,徑向 |
| C0r | 51,000 N | 基本額定靜態負荷,徑向 |
| Cur | 3,500 N | 疲勞負載極限,徑向 |
| nG | 11,900 1/min | 極限轉速 |
| nϑr | 7,000 1/min | 參考轉速 |
| ≈m | 0.499 kg | 重量 |
| da min | 44 mm | 軸肩最小直徑 |
| Da max | 71 mm | 殼肩最大直徑 |
| ra max | 1.5 mm | 最大圓角半徑 |
| rmin | 1.5 mm | 最小倒角尺寸 |
| D1 | 64.75 mm | 外圈肩徑 |
| d1 | 50.75 mm | 內圈肩徑 |
| a | 40.3 mm | 壓力錐頂點之間的距離 |
| α | 35 ° | 接觸角 |
| Tmin | -30 °C | 最低工作溫度 |
| Tmax | 120 °C | 最高操作溫度 |
| Cage | TVP | 玻璃纖維增強聚醯胺 PA66 實體保持架 |
| Tolerance class | PN | 正常(PN) |
| Dimensional / heat stabilization | S0 | 環尺寸穩定達 150° |
| Axial internal clearance | CN | 正常組(標準間隙) |