INA
PAB40-PP-AS
Linear plain bearing PAB40-PP-AS
加入詢價
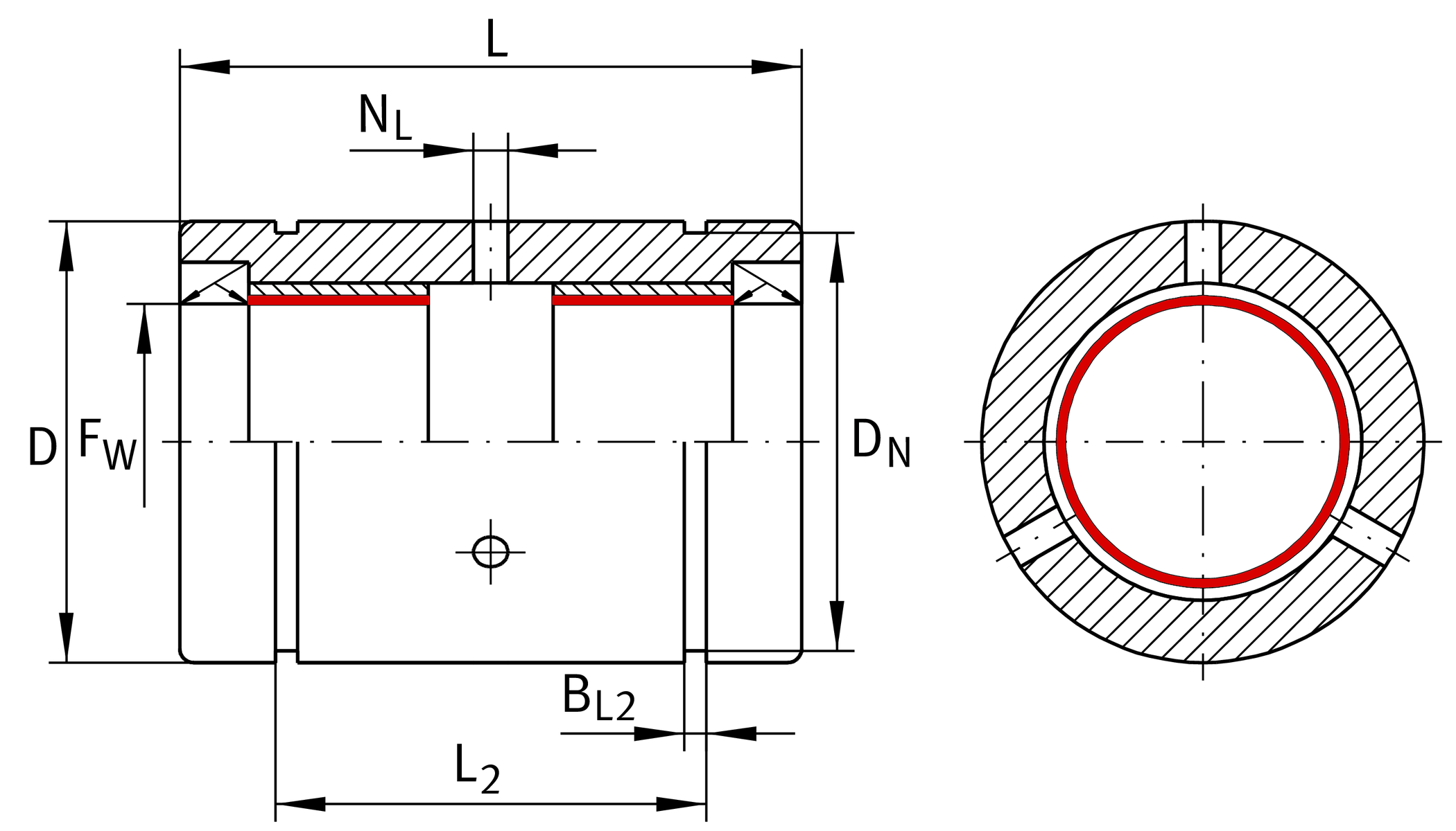
主要尺寸與性能資料
| FW | 40 mm | Diameter of ball complement |
| D | 62 mm | 外徑 |
| L | 80 mm | 長度 |
| C0 | 600,000 N | load capacity stat. C0 1 |
| ≈m | 0.445 kg | 重量 |
安裝尺寸
| L2 | 60.3 mm | Mounting Dimension 2 |
| BL2 | 2.15 mm | 3 |
| DN | 59 mm | |
| NL | 3 mm | |
您目前的產品型號
| Size code | 40 | |
| Seal | PP | |
| Relubrication feature | AS | |
加入詢價
Linear plain bearing PAB40-PP-AS
已將您選擇的品項
加入詢價清單
非常感謝您!
選擇更多商品
瀏覽詢價清單