PRODUCTS
- 首頁
- 產品介紹
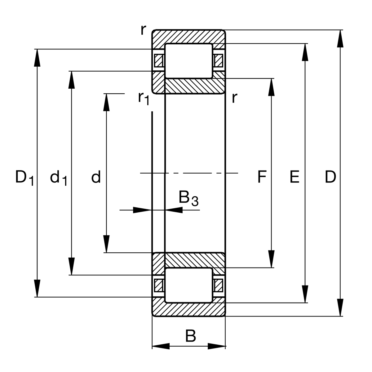
| d | 40 mm | 內徑 |
| D | 90 mm | 外徑 |
| B | 33 mm | 寬度 |
| Cr | 132,000 N | 基本額定動載荷,徑向 |
| C0r | 119,000 N | 基本額定靜態負荷,徑向 |
| Cur | 21,900 N | 疲勞負載極限,徑向 |
| nG | 14,200 1/min | 極限轉速 |
| nϑr | 5,800 1/min | 參考轉速 |
| ≈m | 1.081 kg | 重量 |
| d1 | 57.55 mm | 內圈最大擋邊直徑 |
| D1 min | 75.92 mm | 外圈最小擋邊直徑 |
| da min | 49 mm | 軸肩最小直徑 |
| dc min | 60 mm | 最小軸肩 |
| Da max | 81 mm | 殼肩最大直徑 |
| ra max | 1.5 mm | 最大凹槽半徑 |
| rmin | 1.5 mm | 最小倒角尺寸 |
| r1 min | 1.5 mm | 最小倒角尺寸 |
| E | 80 mm | 外圈滾道直徑 |
| F | 52 mm | 內圈滾道直徑 |
| B3 | 5.5 mm | 鬆配肋寬度 |
| Tmin | -30 °C | 最低工作溫度 |
| Tmax | 150 °C | 最高操作溫度 |
| Design | E | 增加額定載荷設計 |
| Cage | M1 | 兩片式黃銅保持架滾輪引導 |
| Radial internal clearance | C3 (Group 3) | 內部間隙大於CN |
| Tolerance class | PN | 正常(PN) |
| Number of rolling element rows | 1 | 單列設計 |