PRODUCTS
- 首頁
- 產品介紹
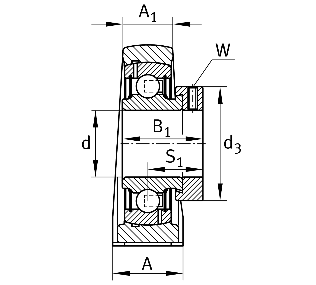
| d | 35 mm | 內徑 |
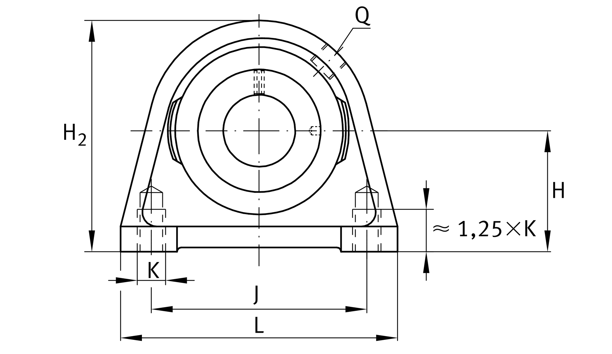
| L | 103 mm | Length total |
| H2 | 93 mm | 高度 |
| ≈m | 1.26 kg | 重量 |
| J | 82.6 mm | 固定內孔距離 |
| K | M10 | Thread 固定內徑 |
| H | 47.6 mm | Distance shaft axis |
| A | 45 mm | Width (base) |
| A1 | 27 mm | Width (head) |
| Q | M6 | 用於潤滑的連接螺紋 |
| B1 | 39 mm | 鎖環總寬度 |
| S1 | 29.5 mm | Distance of raceway to locking collar |
SHE07 | 軸承座 | |
GRAE35-XL-NPP-B | 軸承型號 | |
KASK07 | Protecting cap |
| Tmin | -20 °C | 最低工作溫度 |
| Tmax | 120 °C | 最高操作溫度 |
| Groove | N | Cast iron 軸承座 with undercut slot for end caps |
| Material | GG | 灰鑄鐵 |