PRODUCTS
- 首頁
- 產品介紹
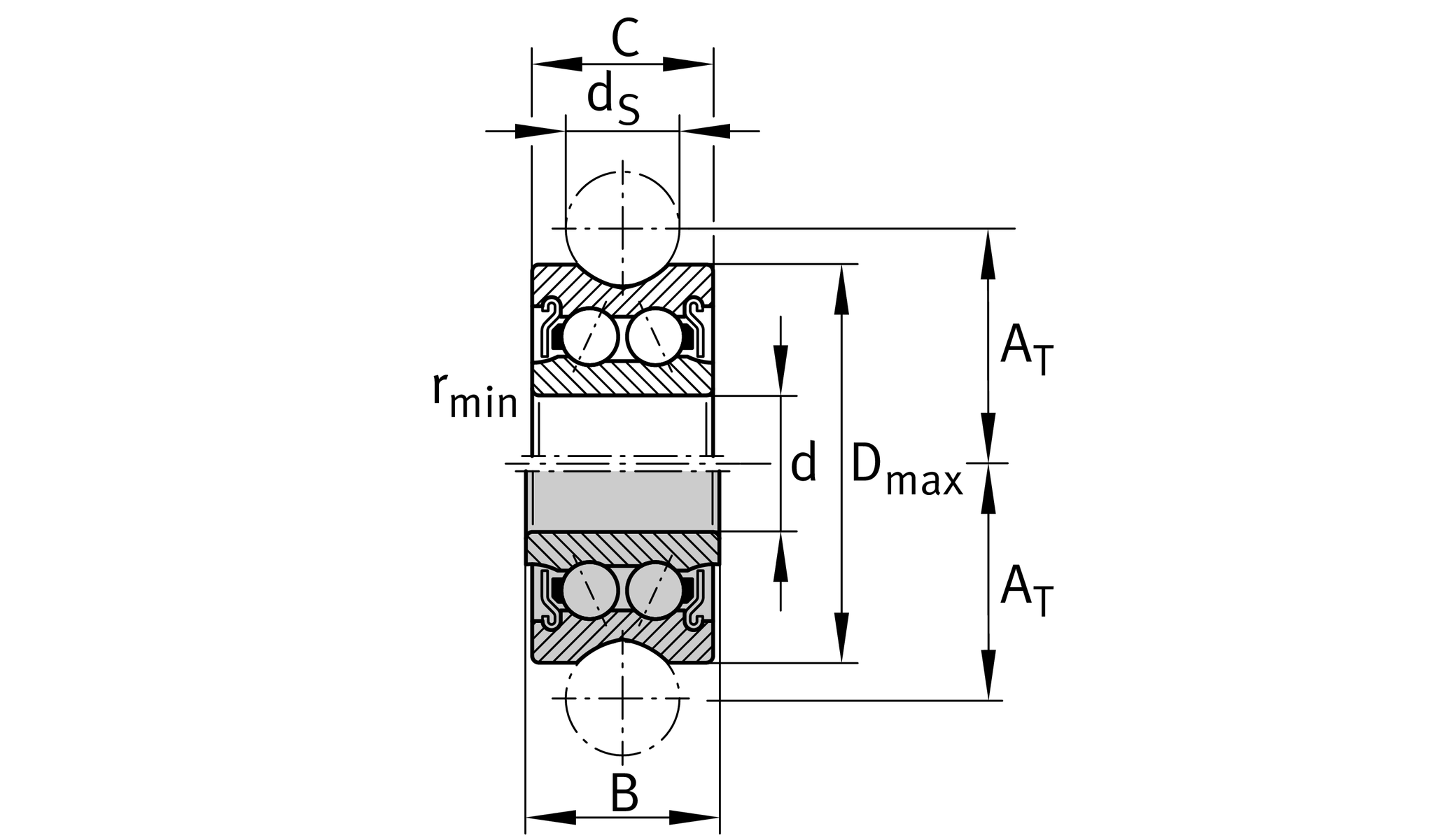
| d | 40 mm | |
| Dmax | 110 mm | |
| B | 46 mm | |
| ≈m | 1.768 kg | 重量 |
| AT | 72.5 mm | |
| C | 44 mm | |
| Da | 101.7 mm | Diameter of rolling |
| ds | 50 mm | |
| rmin | 1.1 mm |
| Cr w | 54,000 N | Effective dynamic load rating as track roller (radial) |
| C0r w | 40,500 N | Effective static load rating as track roller (radial) |
| Cur w | 2,000 N | Limit of fatigue load |
| Fr per | 69,000 N | Permissible dynamic limit load |
| F0r per | 81,000 N | Permissible static limit load |
| LFE/LFZ | siehe Katalog: LF1 | Possible roller-pin combination |
| Size code | 5308 | |
| Seal | 2Z | 兩側間隙密封 |