PRODUCTS
- 首頁
- 產品介紹
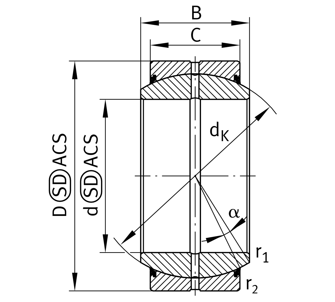
| d | 40 mm | 內徑 bearing |
| D | 62 mm | 外徑 bearing |
| B | 28 mm | 內圈寬度 |
| Cr | 117,000 N | 基本額定動載荷,徑向 |
| C0r | 451,000 N | 基本額定靜態負荷,徑向 |
| ≈m | 0.297 kg | 重量 |
| r1smin | 0.6 mm | 邊緣間距 |
| r2smin | 1 mm | 邊緣間距 |
| da max | 45 mm | Connection measure Inner ring |
| Da min | 51 mm | 軸承座 Connection Diameter |
| C | 22 mm | Width Outer ring |
| dK | 53 mm | 球直徑 |
| α | 7 ° | 傾斜角度 |
| dOT | 0 mm | 內徑 bearing, 公差上限 |
| dUT | -0.012 mm | 內徑 bearing, 較低的公差 |
| DOT | 0 mm | 外徑、公差上限 |
| DUT | -0.013 mm | 外徑,公差下限 |
| BOT | 0 mm | 內圈寬度, 公差上限 |
| Gr | 0,015 - 0,06 | 徑向間隙 |
| BUT | -0.12 mm | 內圈寬度, 較低的公差 |
| COT | 0 mm | Width outer ring, 公差上限 |
| CUT | -0.3 mm | Width outer ring, 較低的公差 |
| Tmin | -30 °C | 最低工作溫度 |
| Tmax | 130 °C | 最高操作溫度 |
| Sealing | 2RS | 兩側唇形密封 |
| Radial internal clearance | C2 (Group 2) | 內部間隙小於CN |