PRODUCTS
- 首頁
- 產品介紹
| lk max | 4,000 mm | Max. length 1 |
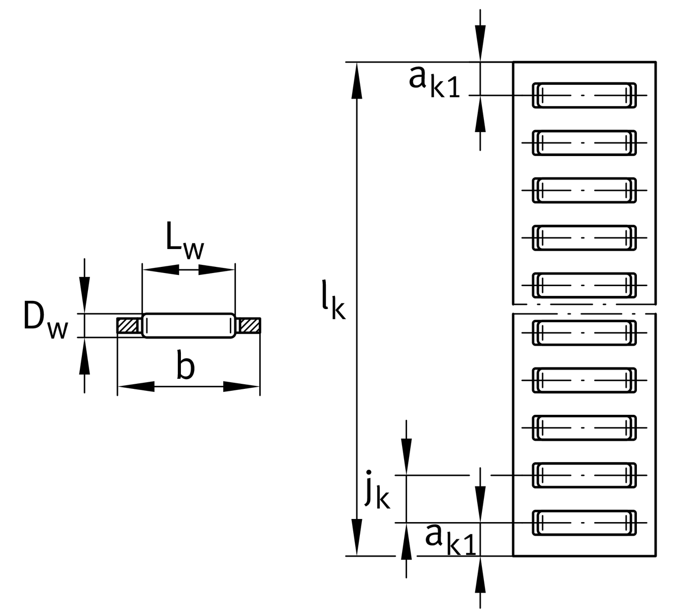
| DW | 3 mm | Rolling element diameter |
| b | 20 mm | |
| C | 51,900 N | Load capacity dyn. 2 |
| C0 | 148,000 N | Load capacity stat. 2 |
| ≈m | 202 g/m | 重量 |
| EB | 20.4 mm | |
| Tol EB | +0,2 | tolerance |
| EB1 | 14 mm | min. |
| EH | 2.7 mm |
| LW | 13.8 mm | Length rolling element |
| jk | 6 mm | |
| ak1 | 4.5 mm |
J5030, S5030 | Associated rail |
| Size code | 20 |