PRODUCTS
- 首頁
- 產品介紹
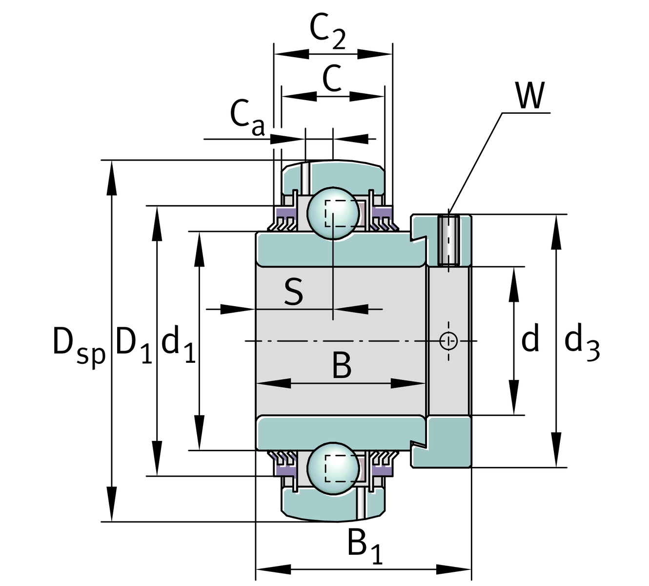
| d | 35 mm | 內徑 |
| DSP | 72 mm | 外徑 |
| B | 37.7 mm | 寬度 |
| B1 | 51.3 mm | 鎖環總寬度 |
| Cr | 24,300 N | 基本額定動載荷,徑向 |
| C0r | 13,400 N | 基本額定靜態負荷,徑向 |
| ≈m | 0.61 kg | 重量 |
| C | 19 mm | 外圈寬度 |
| C2 | 23.6 mm | 封口總寬度 |
| S | 18.8 mm | 滾道距離 |
| d1 | 46.83 mm | 內圈擋邊直徑 |
| D1 | 60 mm | 外徑密封 |
| Ca | 5.6 mm | 至潤滑孔距離 |
| d3 | 55 mm | 鎖緊環/鎖緊螺帽外徑 |
| W | 5 mm | 平面寬度 |
| Tmin | -20 °C | 最低工作溫度 |
| Tmax | 100 °C | 最高操作溫度 |
| Sealing | KTT | Triple 兩側唇形密封 |
| Shape of outer surface | B | |
| Lubrication hole transposed | AS2/V | AS2/V |