PRODUCTS
- 首頁
- 產品介紹
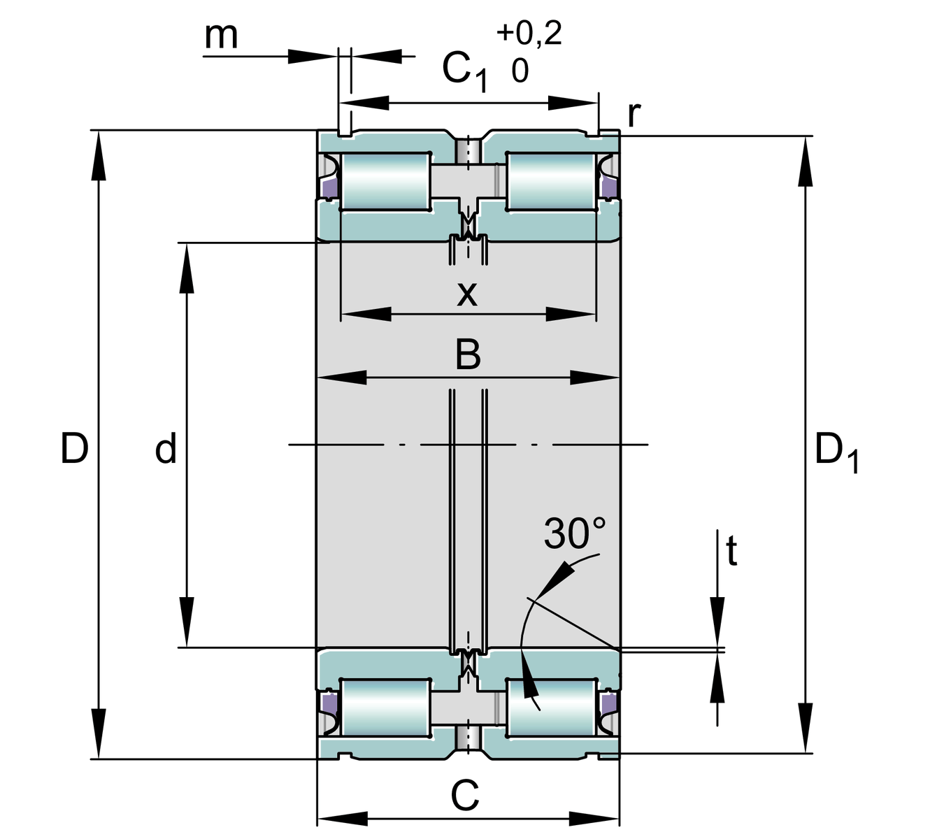
| d | 190 mm | 內徑 |
| D | 290 mm | 外徑 |
| B | 136 mm | 寬度 |
| Cr | 1,160,000 N | 基本額定動載荷,徑向 |
| C0r | 2,210,000 N | 基本額定靜態負荷,徑向 |
| Cur | 275,000 N | 疲勞負載極限,徑向 |
| nG Grease | 660 1/min | 脂潤滑的極限轉度 |
| ≈m | 30.5 kg | 重量 |
| Ca1 | 110 mm | 卡環 WRE 的安裝尺寸(不包含在供貨範圍內) 公差:0/-0,2 |
| Ca2 | 108 mm | 固定環安裝尺寸符合 DIN 471 標準(交貨時不包括) Tol:0/-0,2 |
| d1 | 226 mm | 內圈擋邊直徑 |
| d2 | 248 mm | 密封直徑(肋部) |
| d3 | 312 mm | 外徑 of snap ring WRE |
| d1 min | 226.5 mm | 軸肩最小直徑 |
30 ° | 倒角角度 | |
-0.2 mm | 較低距離的卡環公差 | |
-0.2 mm | 較低距離的擋圈公差 | |
0 mm | 卡環距離公差上限 | |
0 mm | 上距離擋圈公差 | |
0 mm | 較低距離的環槽公差 | |
0.2 mm | 上距環槽公差 |
| C | 135 mm | 外圈寬度 |
| C1 | 118.2 mm | 環槽距離 |
| D1 | 284 mm | 溝槽直徑 |
| m | 5.2 mm | 滾道寬度 |
| rmin | 0.6 mm | 最小倒角尺寸 |
| t | 2 mm | 倒角寬度 |
| X | 112 mm | 滾動體之間的距離 |
| Tmin | -30 °C | 最低工作溫度 |
| Tmax | 80 °C | 最高操作溫度 |
| Design | D | 新的外輪廓 |
| Sealing | PP | 兩側接觸式密封 |
| Radial internal clearance | C3 (Group 3) | 內部間隙大於CN |
| Tolerance class | PN | 正常(PN) |
| Number of rolling element rows | 2 | 雙列設計 |