PRODUCTS
- 首頁
- 產品介紹
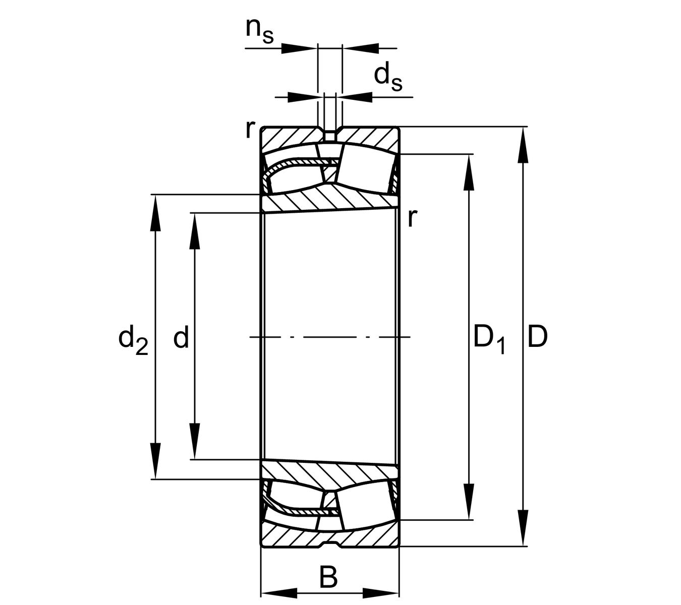
| d | 190 mm | 內徑 |
| D | 340 mm | 外徑 |
| B | 92 mm | 寬度 |
| Cr | 1,360,000 N | 基本額定動載荷,徑向 |
| C0r | 1,760,000 N | 基本額定靜態負荷,徑向 |
| Cur | 164,000 N | 疲勞負載極限,徑向 |
| nG | 2,480 1/min | 極限轉速 |
| nϑr | 1,620 1/min | 參考轉速 |
| ≈m | 34.65 kg | 重量 |
| da min | 207 mm | 軸肩最小直徑 |
| da max | 223 mm | 軸肩最大直徑 |
| Da max | 323 mm | 殼肩最大直徑 |
| ra max | 3 mm | 最大凹槽半徑 |
| db min | 202 mm | 套筒最小內腔直徑 |
| Ba min | 21 mm | 套筒最小空腔寬度 |
| rmin | 4 mm | 最小倒角尺寸 |
| D1 | 295.2 mm | 外圈內徑 |
| d2 | 225.2 mm | 內圈的滾道直徑 |
| ds | 9.5 mm | 潤滑孔直徑 |
| ns | 17.7 mm | 潤滑溝寬度 |
| Tmin | -30 °C | 最低工作溫度 |
| Tmax | 200 °C | 最高操作溫度 |
| e | 0.26 | Fa/Fr對於差分的適用性的限制值。 X 和 Y 參數 |
| Y1 | 2.6 | 動態軸向負載係數 |
| Y2 | 3.87 | 動態軸向負載係數 |
| Y0 | 2.54 | 靜態軸向負荷係數 |
H3138 | 緊定套 | |
AH2238G | 退卸套 |
| Design | BE | 無中心唇環 |
| Bore type | K | 錐度,錐度1:12 |
| Cage | JPB | 金屬板保持架 |
| Radial internal clearance | C2 (Group 2) | 內部間隙小於CN |
| Relubrication feature | Standard |