PRODUCTS
- 首頁
- 產品介紹
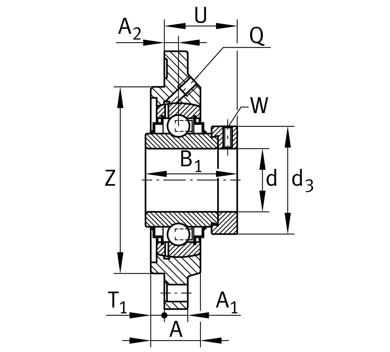
| d | 35 mm | 內徑 |
| H | 135 mm | Height flange |
| H | 135 mm | 法蘭寬度 |
| U | 41.3 mm | 總高度單位 |
| Cr | 27,500 N | 基本額定動載荷,徑向 |
| C0r | 15,300 N | 基本額定靜態負荷,徑向 |
| Cur | 800 N | 疲勞負載極限,徑向 |
| ≈m | 1.33 kg | 重量 |
| J | 110 mm | Pitch circle diameter (holes) |
| N | 11.5 mm | 固定內徑 |
| T1 | 4 mm | Height spigot |
| Z | 90 mm | Diameter spigot |
h8 | Diameter spigot clearance | |
| W | 5 mm | 平面寬度s |
| n | 4 | 螺絲孔數 |
| A | 24.5 mm | 外殼高度 |
| A1 | 10 mm | 厚度 of flange |
| A2 | 9 mm | 滾道距離 |
| B1 | 51.3 mm | 鎖環總寬度 |
| Q | M6 | 用於潤滑的連接螺紋 |
| d3 | 55 mm | 外徑 locking collar |
GEHFE07-GG-N | 軸承座 | |
GE35-XL-KRR-B | 軸承型號 |
| Tmin | -20 °C | 最低工作溫度 |
| Tmax | 100 °C | 最高操作溫度 |
| Groove | N | Cast iron 軸承座 with undercut slot for end caps |
| Material | GG | 灰鑄鐵 |