PRODUCTS
- 首頁
- 產品介紹
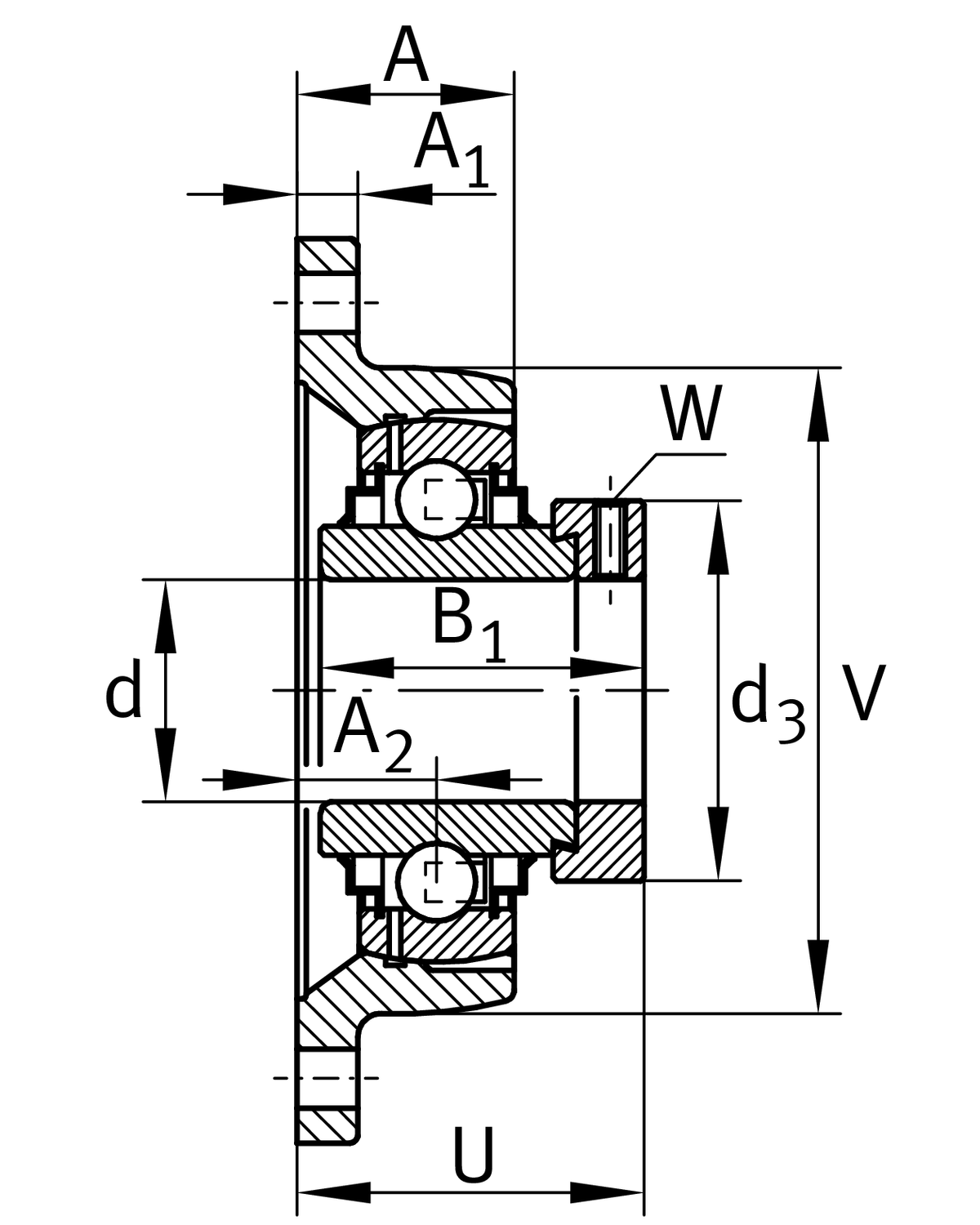
| d | 35 mm | 內徑 |
| L | 92 mm | 法蘭寬度 |
| H | 155 mm | Height flange |
| U | 53.7 mm | 總高度單位 |
| Cr | 27,500 N | 基本額定動載荷,徑向 |
| C0r | 15,300 N | 基本額定靜態負荷,徑向 |
| Cur | 530 N | 疲勞負載極限,徑向 |
| ≈m | 1.19 kg | 重量 |
| J | 130 mm | 固定內孔距離 |
| N | 14 mm | 固定內徑 |
| n | 2 | 螺絲孔數 |
| W | 5 mm | 平面寬度 |
| A | 32.5 mm | 外殼高度 |
| A1 | 12.5 mm | 厚度 of flange |
| A2 | 21 mm | 滾道距離 |
| B1 | 51.3 mm | 鎖環總寬度 |
| V | 92 mm | Shoulder diameter 軸承座 |
| Q | M6 | 用於潤滑的連接螺紋 |
| d3 | 55 mm | 外徑 locking collar |
GEHCJT07-GG-N-FA125.1 | 軸承座 | |
GE35-XL-KRR-B-FA164 | 軸承型號 |
| Tmin | 150 °C | 最低工作溫度 |
| Tmax | 250 °C | 最高操作溫度 |
| Material | GG | 灰鑄鐵 |
| Manufacturing instruction | FA164 | High temperature design up to +250°C |