PRODUCTS
- 首頁
- 產品介紹
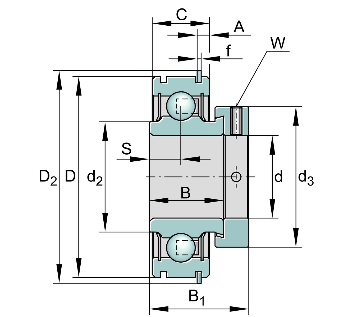
| d | 35 mm | 內徑 |
| D | 72 mm | 外徑 |
| B | 25.4 mm | 寬度 |
| B1 | 39 mm | 鎖環總寬度 |
| Cr | 25,500 N | 基本額定動載荷,徑向 |
| C0r | 15,300 N | 基本額定靜態負荷,徑向 |
| Cur | 730 N | 疲勞負載極限,徑向 |
| ≈m | 0.53 kg | 重量 |
| C | 19 mm | 外圈寬度 |
| S | 9.5 mm | 滾道距離 |
| d2 | 44.6 mm | 密封內圈擋邊直徑 |
| d3 | 55 mm | 鎖緊環/鎖緊螺帽外徑 |
| A | 4.98 mm | 卡環距離 |
0 mm | 上距離擋圈公差 | |
-0.3 mm | 較低距離的擋圈公差 | |
| W | 5 mm | 平面寬度 |
| D2 | 78.6 mm | 卡環外徑 |
0 mm | 卡環寬度公差上限 | |
-0.1 mm | 較低的卡環寬度公差 |
| f0 | 13.8 | 計算參數 |
| Sealing | NPP | 兩側唇形密封 |