PRODUCTS
- 首頁
- 產品介紹
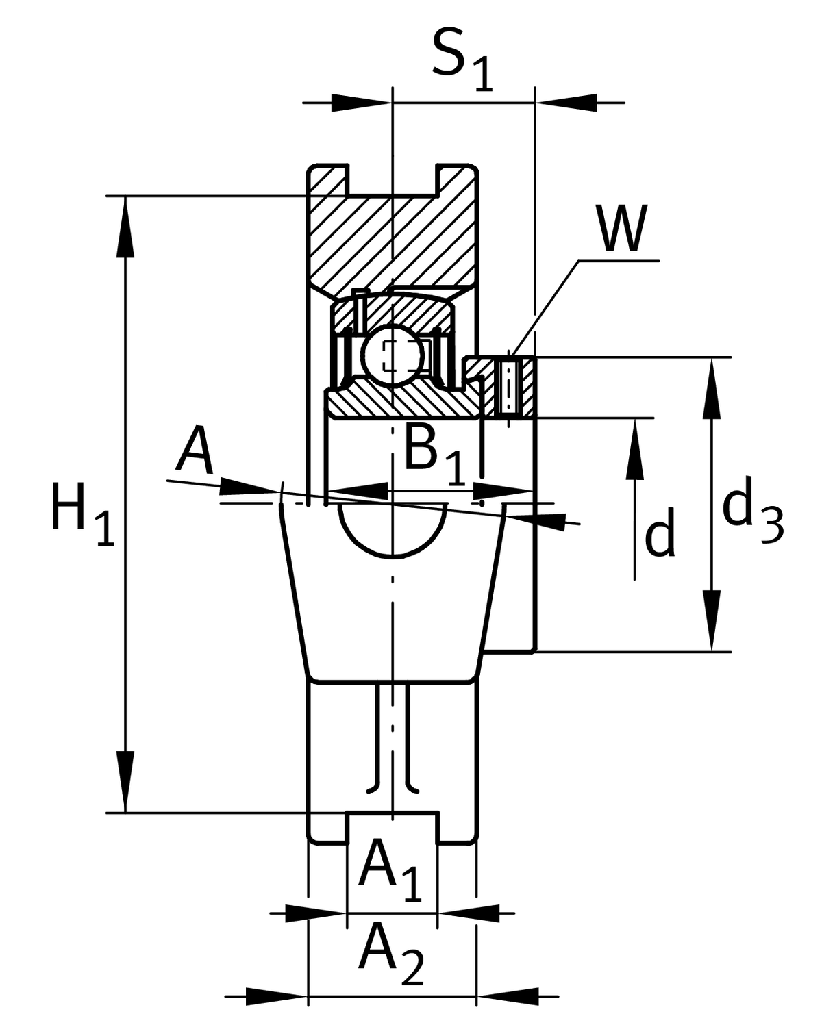
| d | 35 mm | 內徑 |
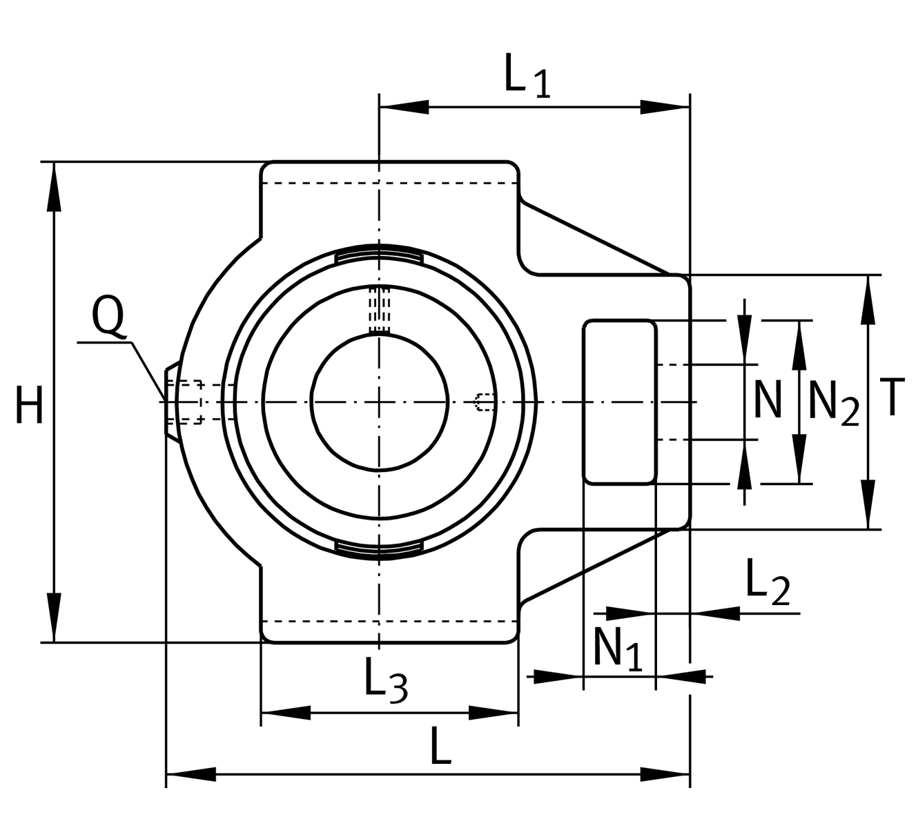
| L | 125 mm | 長度 |
| M | 102.5 mm | 軸承座 total width |
| ≈m | 0.82 kg | 重量 |
| L1 | 76 mm | Distance shaft axis |
| L3 | 63 mm | Length guidance grooves |
| A1 | 12 mm | Width guidance groove |
| H1 | 89 mm | Distance guidance groove |
| K | M16 | Thread 固定內徑 |
| Q | 1/4-28 UNF | 用於潤滑的連接螺紋 |
| T | 40 mm | Height (軸承座, mounting side) |
| A2 | 34.5 mm | Width 軸承座 |
TUE07-TV | 軸承座 | |
GRAE35-NPP-B-FA107/125.5 | 軸承型號 | |
KASK07-S-G | End cap | |
KASK07-S-R-NBR | Open protecting cap |
| Tmin | -35 °C | 最低工作溫度 |
| Tmax | 100 °C | 最高操作溫度 |
| Special material | TV | Plastic 軸承座 |
| Material | TV | Plastic |
| Manufacturing instruction | FA125.5 | Bearing with Corrotect coating |