PRODUCTS
- 首頁
- 產品介紹
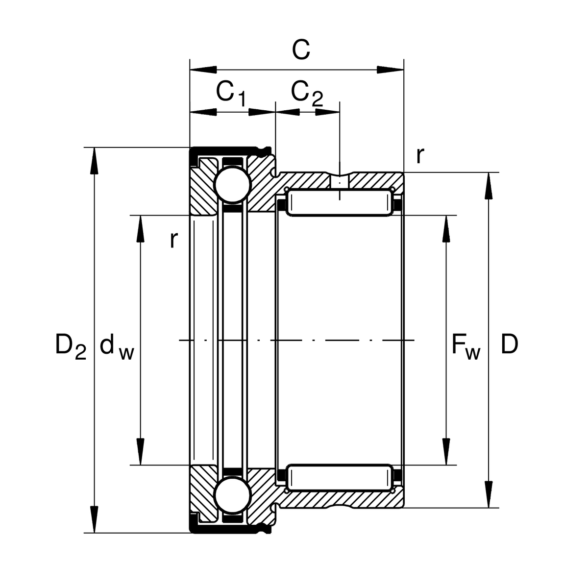
| Fw | 35 mm | 內徑 |
| D | 47 mm | 外徑 |
| C | 30 mm | 高度 |
| Cr | 27,500 N | 基本額定動載荷,徑向 |
| C0r | 41,500 N | 基本額定靜態負荷,徑向 |
| Ca | 21,200 N | 基本額定動載荷,軸向 |
| C0a | 47,000 N | 基本額定靜態載荷,軸向 |
| Cur | 7,400 N | 疲勞負載極限,徑向 |
| Cua | 2,340 N | 疲勞負荷極限,軸向 |
| nG | 4,600 1/min | 極限轉速 |
| ≈m | 166.8 g | 重量 |
| da | 47.7 mm | Mounting dimension shaft shoulder |
| ra max | 0.6 mm | 最大凹槽半徑 |
| D1 max | 53.2 mm | Maximum outerside diameter flange |
| D2 max | 53.2 mm | Maximum outerside diameter flange |
| C1 | 12 mm | Width of the axial brearing component |
| C1 | 9 mm | 至潤滑孔距離 |
| C2 | 9 mm | 至潤滑孔距離 |
| dw | 35 mm | 內徑 of shaft washer |
| rmin | 0.6 mm | 最小倒角尺寸 |
| Tmin | -30 °C | 最低工作溫度 |
| Tmax | 120 °C | 最高操作溫度 |
IR30X35X20-XL | Suitable inner rings IR |
| Sealing | Z | Bearing with end cap |
| Cage | Standard | Standard |