PRODUCTS
- 首頁
- 產品介紹
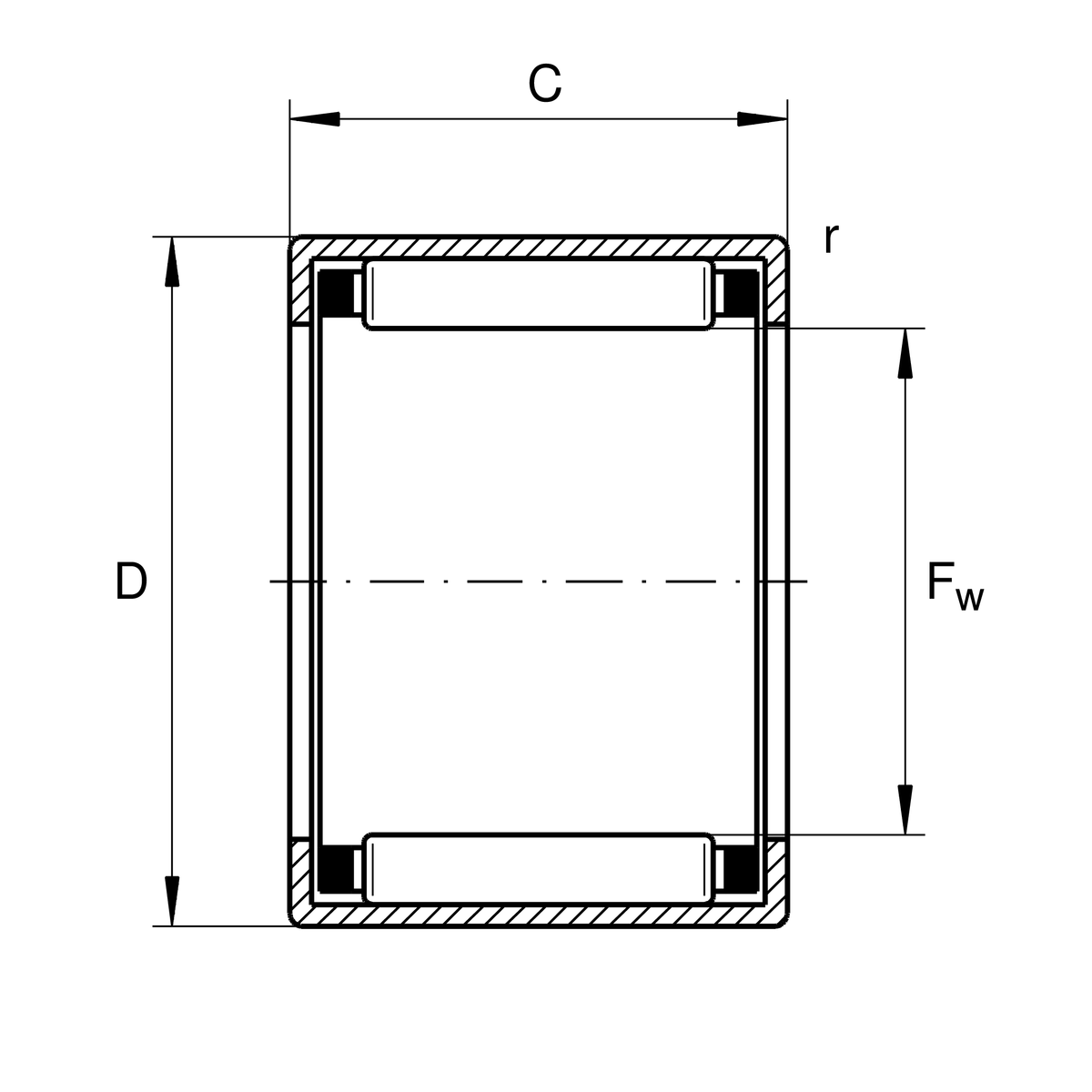
| Fw | 32 mm | 下輥直徑 |
| D | 39 mm | 外徑 |
| C | 20 mm | 寬度 |
| Cr | 23,000 N | 基本額定動載荷,徑向 |
| C0r | 42,500 N | 基本額定靜態負荷,徑向 |
| Cur | 5,600 N | 疲勞負載極限,徑向 |
| nG | 8,100 1/min | 極限轉速 |
| nG Grease | 4,850 1/min | 脂潤滑的極限轉度 |
| nϑr | 5,900 1/min | 參考轉速 |
| ≈m | 41.068 g | 重量 |
| C1 | 20 mm | 外圈寬度 |
| rmin | 0.8 mm | 最小倒角尺寸 |
| Tmin | -30 °C | 最低工作溫度 |
| Tmax | 140 °C | 最高操作溫度 |
IR28X32X20-XL | Suitable inner rings IR |
| Lubricant | 沒有 | |
| Lubrication hole | 沒有 | |
| Coating | 沒有 | |
| Sealing | 沒有 |