PRODUCTS
- 首頁
- 產品介紹
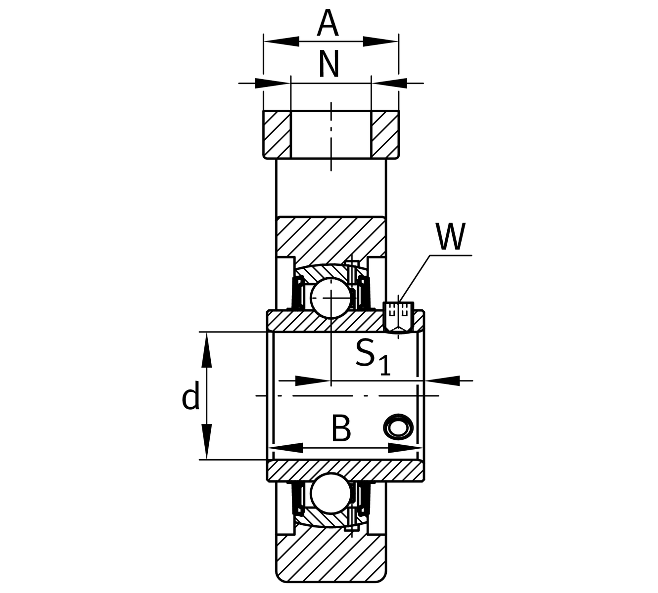
| d | 31.75 mm | 內徑 |
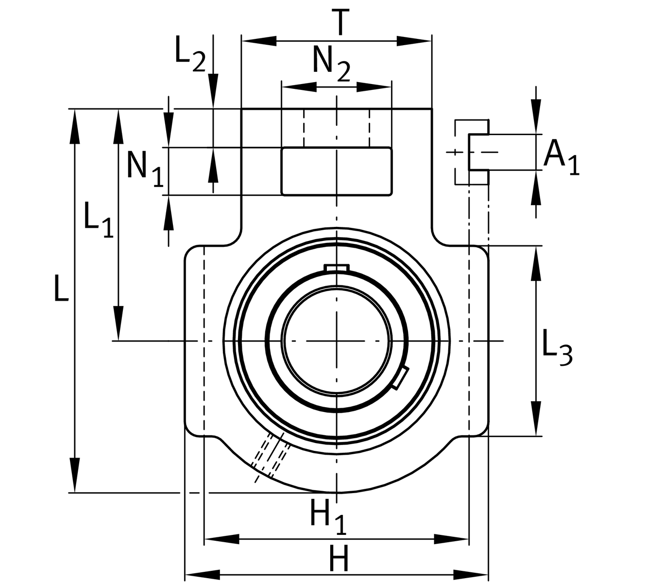
| H | 102 mm | 高度 |
| L | 129 mm | Length total |
| ≈m | 1.611 kg | 重量 |
| A1 | 12 mm | Width guidance groove |
0.2 mm | Upper width guidance groove tolerance | |
0 mm | Lower width guidance groove tolerance | |
| H1 | 89 mm | Distance guidance grooves |
0 mm | Upper distance guidance groove tolerance | |
-0.5 mm | Lower distance guidance groove tolerance | |
| N | 22 mm | 固定內徑 |
| L1 | 78 mm | Distance shaft axis |
| L2 | 13 mm | Length fixed link |
| L3 | 64 mm | Length guidance groove |
| A | 37 mm | Width 軸承座 fixing side |
| N1 | 16 mm | Width recess |
| N2 | 37 mm | Height recess |
| B | 42.9 mm | 內圈寬度 |
| S1 | 25.4 mm | Distance of raceway to locking collar |
| T | 64 mm | 外殼高度 fixing side |
| Q | M6 | 用於潤滑的連接螺紋 |
| A2 | 30 mm | Width 軸承座 |
T207 | 軸承座 | |
UC207-20 | 軸承型號 |
| Tmin | -20 °C | 最低工作溫度 |
| Tmax | 120 °C | 最高操作溫度 |
| Material | GG | 灰鑄鐵 |