中軸事業
關於我們
最新消息
技術專欄
產品介紹
型號搜尋
聯絡我們
繁體中文
English
Tiếng Việt
繁體中文
English
Tiếng Việt
PRODUCTS
首頁
產品介紹
FAG
INA
Schaeffler
INA
LR35X40X12,5
Inner ring LR35X40X12,5
加入詢價
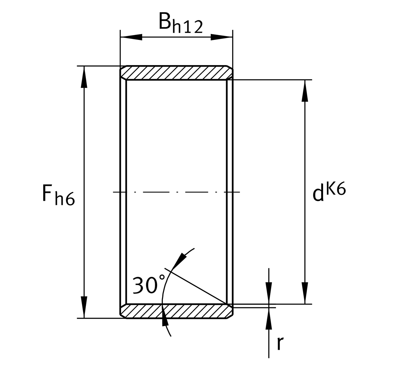
主要尺寸與性能資料
d
35
mm
內徑
F
40
mm
內圈滾道直徑
B
12.5
mm
寬度
r
min
0.3
mm
最小倒角尺寸
30
°
倒角角度
≈m
28
g
重量
您目前的產品型號
Lubrication hole
沒有
Special features
沒有
加入詢價
上一項產品
回到列表
下一項產品
Inner ring LR35X40X12,5
已將您選擇的品項
加入詢價清單
非常感謝您!
選擇更多商品
瀏覽詢價清單