INA
DRS1560
Seal carrier Assy DRS1560
加入詢價
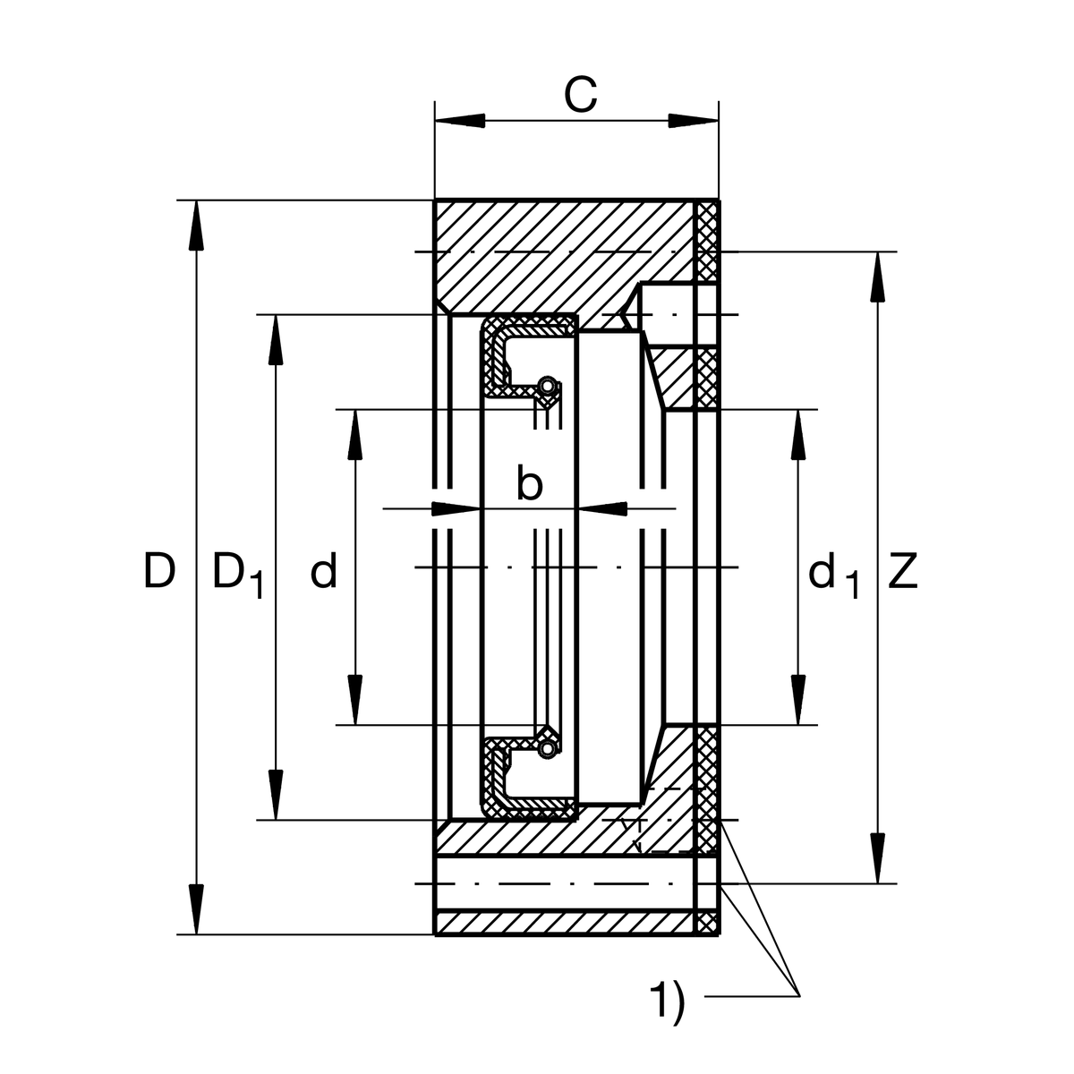
主要尺寸與性能資料
| d1 | 35 mm | 內徑 centering |
| D | 60 mm | 外徑 |
| C | 14 mm | Width wave carrier |
| ≈m | 0.14 kg | 重量 |
尺寸
| Z | 52.4 mm | Pitch circle diameter (holes) |
| d | 35 mm | 內徑 centering seal lip |
| D1 | 45 mm | 外徑密封 |
| b | 7 mm | Width seal |
| M3X20 | Screw size |
| 1) | 4 | Number of screws |
加入詢價
Seal carrier Assy DRS1560
已將您選擇的品項
加入詢價清單
非常感謝您!
選擇更多商品
瀏覽詢價清單