PRODUCTS
- 首頁
- 產品介紹
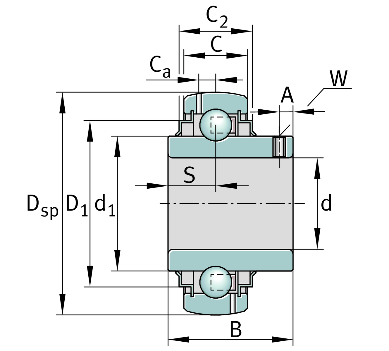
| d | 30.1625 mm | 內徑 |
| d | 30.162 mm | 內徑,英寸 |
| DSP | 62 mm | 外徑 |
| B | 38.1 mm | 寬度 |
| Cur | 520 N | 疲勞負載極限,徑向 |
| Cr | 19,500 N | 基本額定動載荷,徑向 |
| C0r | 11,300 N | 基本額定靜態負荷,徑向 |
| ≈m | 295.3 g | 重量 |
| C | 18 mm | 外圈寬度 |
| C2 | 20 mm | 封口總寬度 |
| S | 15.9 mm | 滾道距離 |
| d1 | 40.2 mm | 內圈擋邊直徑 |
| D1 | 51.8 mm | 外徑密封 |
| Ca | 5 mm | 至潤滑孔距離 |
| A | 5.6 mm | Distance thread |
| Tmin | -20 °C | 最低工作溫度 |
| Tmax | 120 °C | 最高操作溫度 |
| f0 | 13.8 | 計算參數 |
| Sealing | KRR | 兩側唇形密封 |
| Shape of outer surface | B | |
| Lubrication hole transposed | AS2/V | AS2/V |