PRODUCTS
- 首頁
- 產品介紹
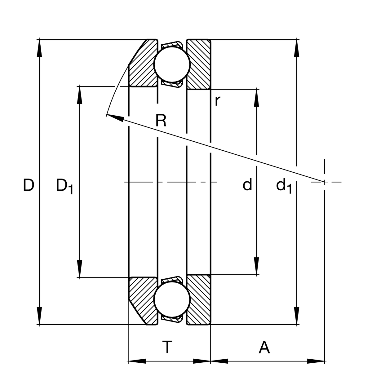
| d | 140 mm | 內徑 shaft washer |
| D | 240 mm | 外徑 軸承座 washer |
| T | 84.9 mm | 高度 |
| Ca | 385,000 N | 基本額定動載荷,軸向 |
| C0a | 1,240,000 N | 基本額定靜態載荷,軸向 |
| Cua | 41,000 N | 疲勞負荷極限,軸向 |
| nG | 1,360 1/min | 極限轉速 |
| nϑr | 2,700 1/min | 參考轉速 |
| ≈m | 1 g | 重量 |
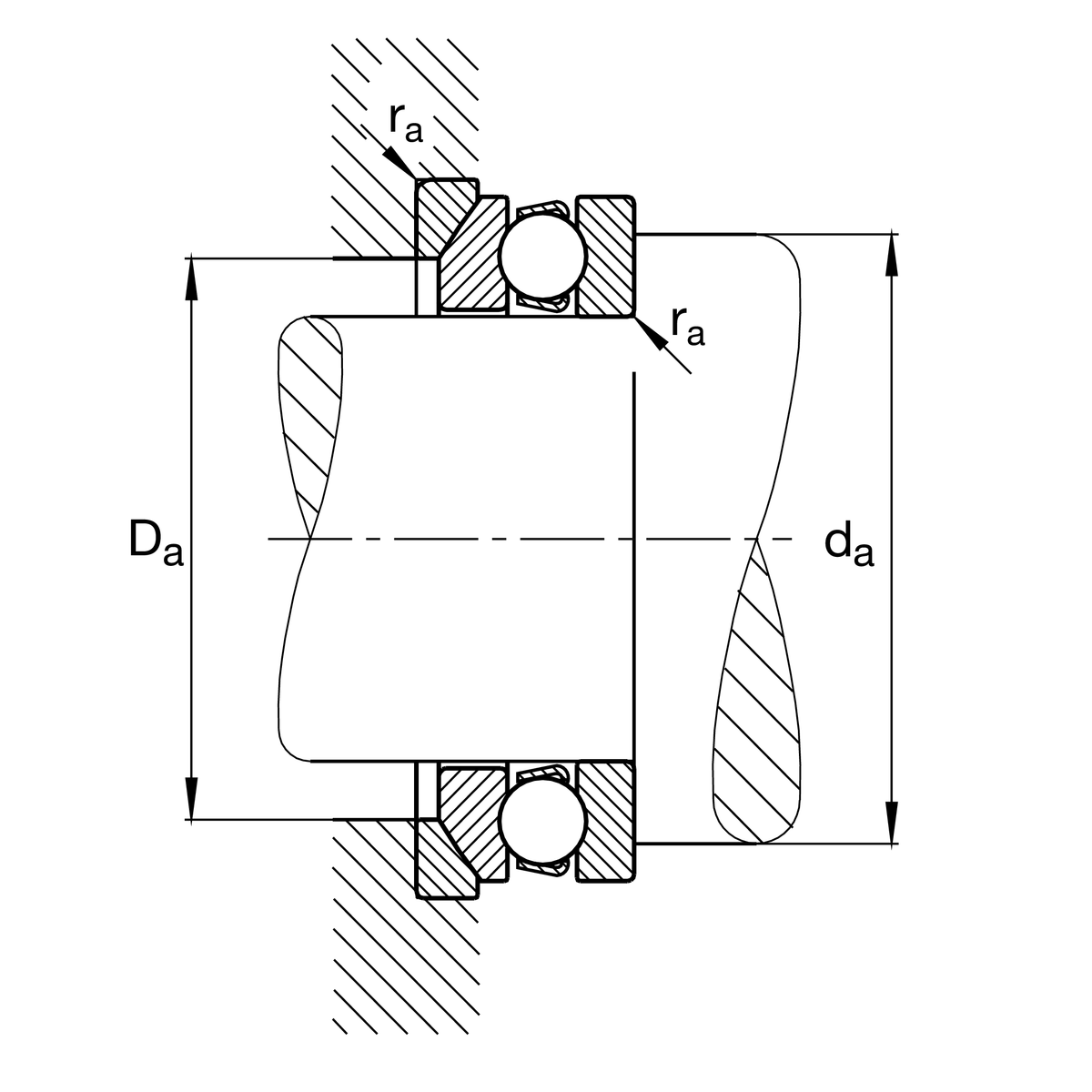
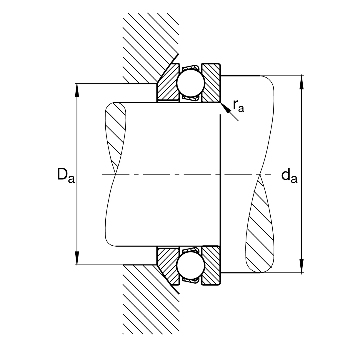
| da min | 200 mm | 軸肩最小直徑 |
| Da max | 190 mm | 殼肩最大直徑 |
| ra max | 2.1 mm | Maximum filled radius |
| rmin | 2.1 mm | 最小倒角尺寸 |
| D1 | 144 mm | 內徑 軸承座 washer |
| d1 | 235 mm | 外徑 shaft washer |
| R | 180 mm | Radius 球形 軸承座 washer |
| A | 68 mm | 中心點距離 |
| T1 | 92 mm | Height with seat washer |
| Tmin | -30 °C | 最低工作溫度 |
| Tmax | 150 °C | 最高操作溫度 |
| A | 8.2 | Minimum load factor |
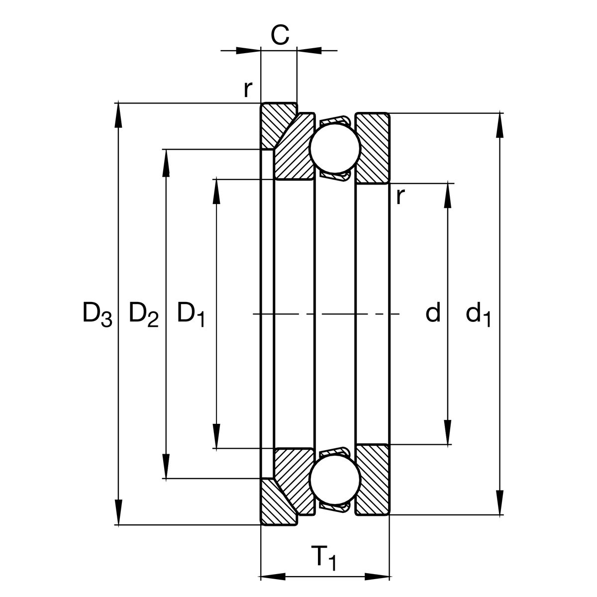
U328 | Seat washer |
| Cage | MP | 黃銅實體保持架,滾動體引導 |
| Tolerance class | PN | 正常(PN) |