PRODUCTS
- 首頁
- 產品介紹
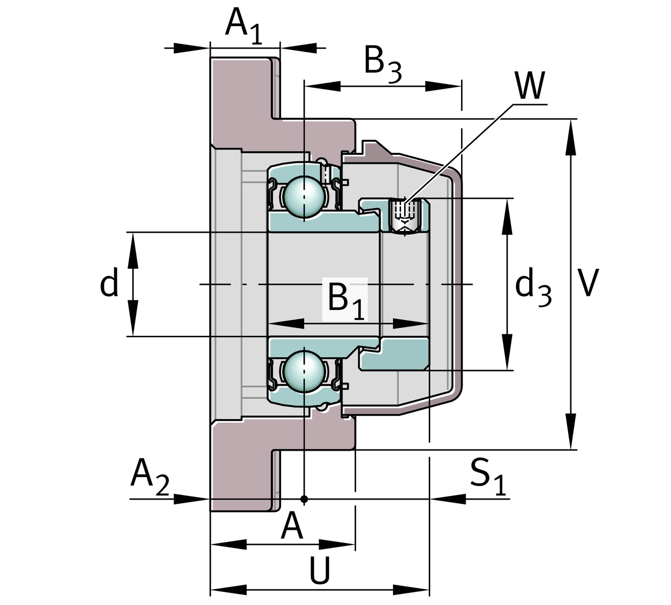
| d | 30 mm | 內徑 |
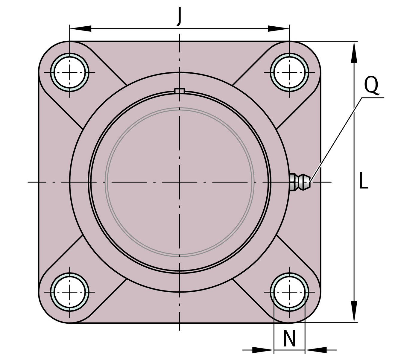
| L | 107 mm | 法蘭寬度 |
| U | 46.9 mm | 總高度單位 |
| Cr | 19,460 N | 基本額定動載荷,徑向 |
| C0r | 11,310 N | 基本額定靜態負荷,徑向 |
| Cur | 475 N | 疲勞負載極限,徑向 |
| C0r G | 17,700 N | Load carrying capacity (軸承座) |
| ≈m | 0.52 kg | 重量 |
| J | 83 mm | 固定內孔距離 |
| N | 11 mm | 固定內徑 |
| W | 3 mm | 平面寬度s |
| A | 31.5 mm | 外殼高度 |
| A1 | 14.3 mm | 厚度 of flange |
| A2 | 19.2 mm | 滾道距離 |
| B1 | 35.7 mm | 鎖環總寬度 |
| B3 | 39.5 mm | Distance 軸承座 centre to cap end |
| S1 | 27.7 mm | Distance of raceway to locking collar |
| V | 80 mm | Shoulder diameter 軸承座 |
| Q | 1/4"-28 UNF | 用於潤滑的連接螺紋 |
| d3 | 44.5 mm | 外徑 locking device |
GEH.CJ06-TV-WHT | 軸承座 | |
GE30-KRR-B-FA107-VA-FD | 軸承型號 | |
KASK06-S-G-WHT | Protecting cap |
| Tmin | -30 °C | 最低工作溫度 |
| Tmax | 100 °C | 最高操作溫度 |
| Material | TV-FD | Plastic for food industry |