PRODUCTS
- 首頁
- 產品介紹
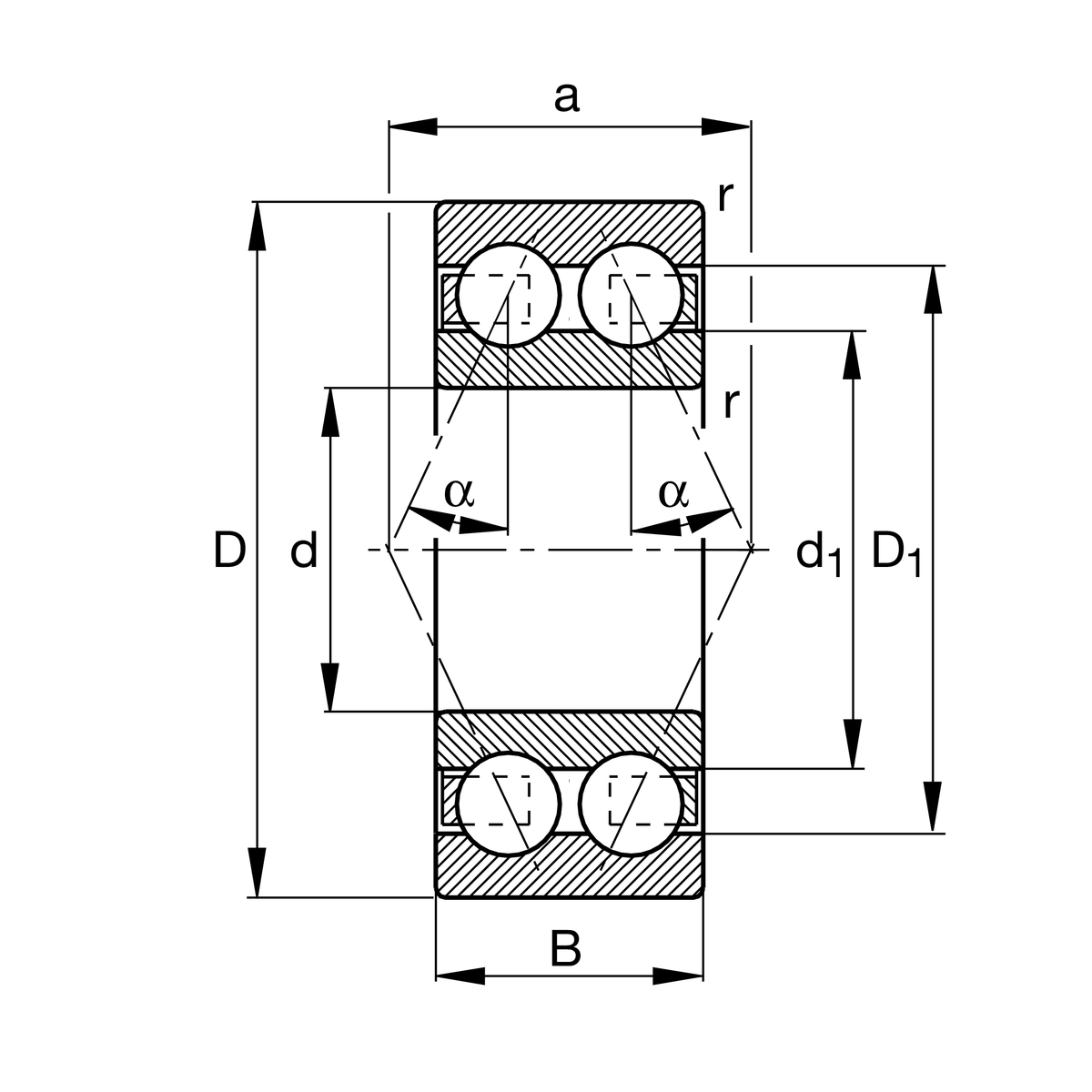
D | 優化設計 | |
| ≈m | 0.72 kg | 重量 |
| d | 35 mm | 內徑 |
| D | 80 mm | 外徑 |
| B | 34.9 mm | 寬度 |
| Cr | 55,000 N | 基本額定動載荷,徑向 |
| C0r | 36,500 N | 基本額定靜態負荷,徑向 |
| Cur | 2,550 N | 疲勞負載極限,徑向 |
| nG | 9,000 1/min | 極限轉速 |
| nϑr | 8,100 1/min | 參考轉速 |
| da min | 44 mm | 軸肩最小直徑 |
| Da max | 71 mm | 殼肩最大直徑 |
| ra max | 1.5 mm | 最大圓角半徑 |
| rmin | 1.5 mm | 最小倒角尺寸 |
| D1 | 68.92 mm | 外圈肩徑 |
| D2 | 71.91 mm | 量測外圈直徑 |
| d1 | 51.8 mm | 內圈肩徑 |
| d2 | 49.63 mm | 量測內圈直徑 |
| a | 48 mm | 壓力錐頂點之間的距離 |
| α | 30 ° | 接觸角 |
| Tmin | -30 °C | 最低工作溫度 |
| Tmax | 120 °C | 最高操作溫度 |
| 優化設計 | B | 軸承無裝填槽 |
| Sealing | 沒有 | 未密封 |
| Cage | JH | 沖壓鋼板 |
| Tolerance class | P5 | 5級(P5),優於P6 |
| Dimensional / heat stabilization | SN | 環尺寸穩定達 120° |
| Lubricant | 沒有 | 軸承未潤滑 |
| Axial internal clearance | CN | 正常組(標準間隙) |