INA
LFE20X67-A1
Journal track roller LFE20X67-A1
加入詢價
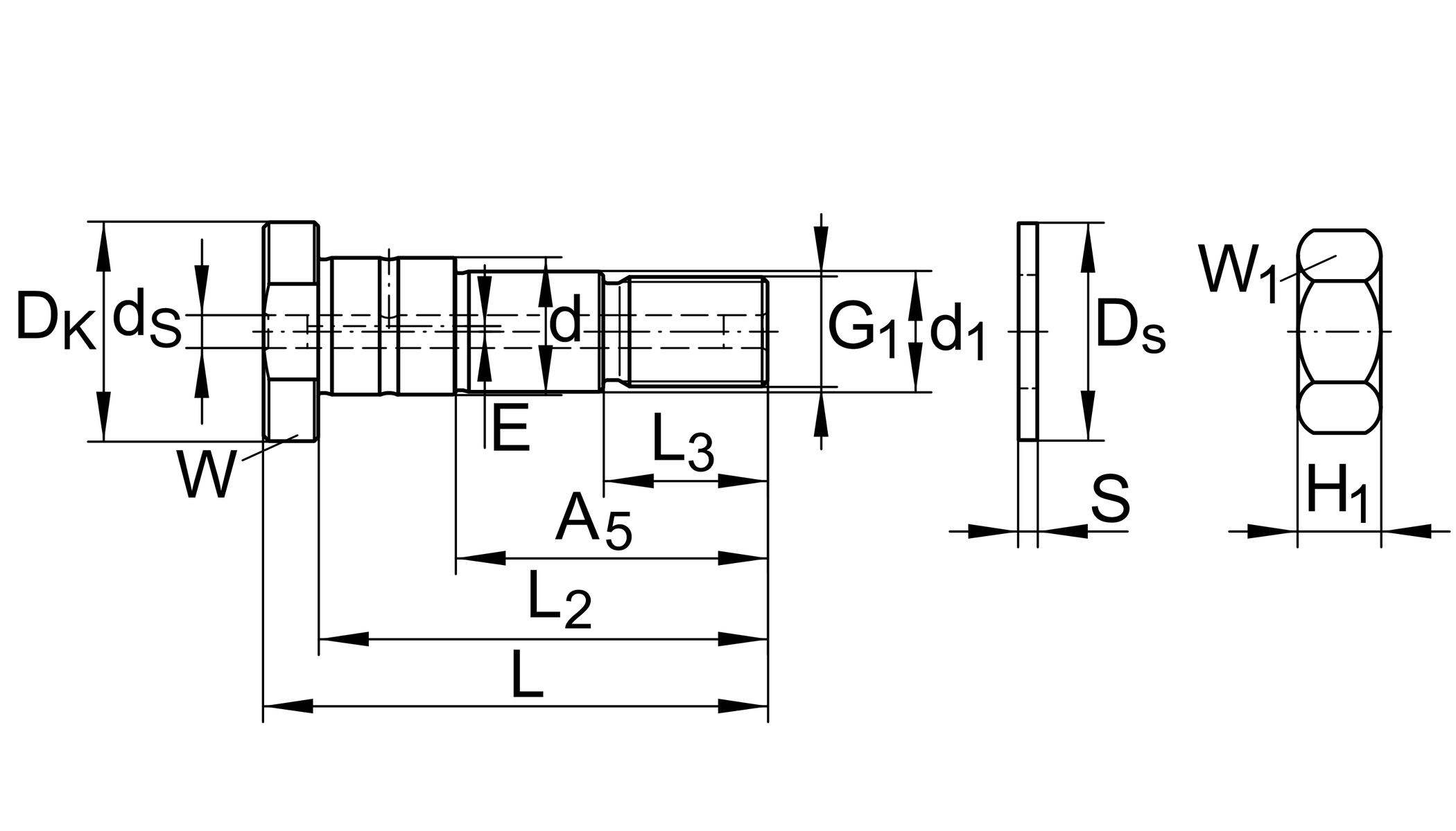
主要尺寸與性能資料
| BGR | 12 | Dimension PIN |
| G1 | M16x1,5 | |
| d1 | 17 mm | |
| L | 75 mm | |
| ≈m | 200 g | 重量 |
安裝尺寸
| A5 | 45 mm | |
| Dk | 30 mm | |
| Ds | 30 mm | |
| d | 20 mm | |
| ds | 5.9 mm | 1 |
| E | 1 mm | |
| H1 | 13 mm | |
| L2 | 67 mm | |
| L3 | 23 mm | |
| S | 3 mm | |
| W | 27 mm | |
| W1 | 24 mm | |
附加資訊
| LFR..-2Z | siehe Katalog: LF1 | possible track roller-pin combinations |
加入詢價
Journal track roller LFE20X67-A1
已將您選擇的品項
加入詢價清單
非常感謝您!
選擇更多商品
瀏覽詢價清單