INA
LFE08-1
Journal track roller LFE08-1
加入詢價
主要尺寸與性能資料
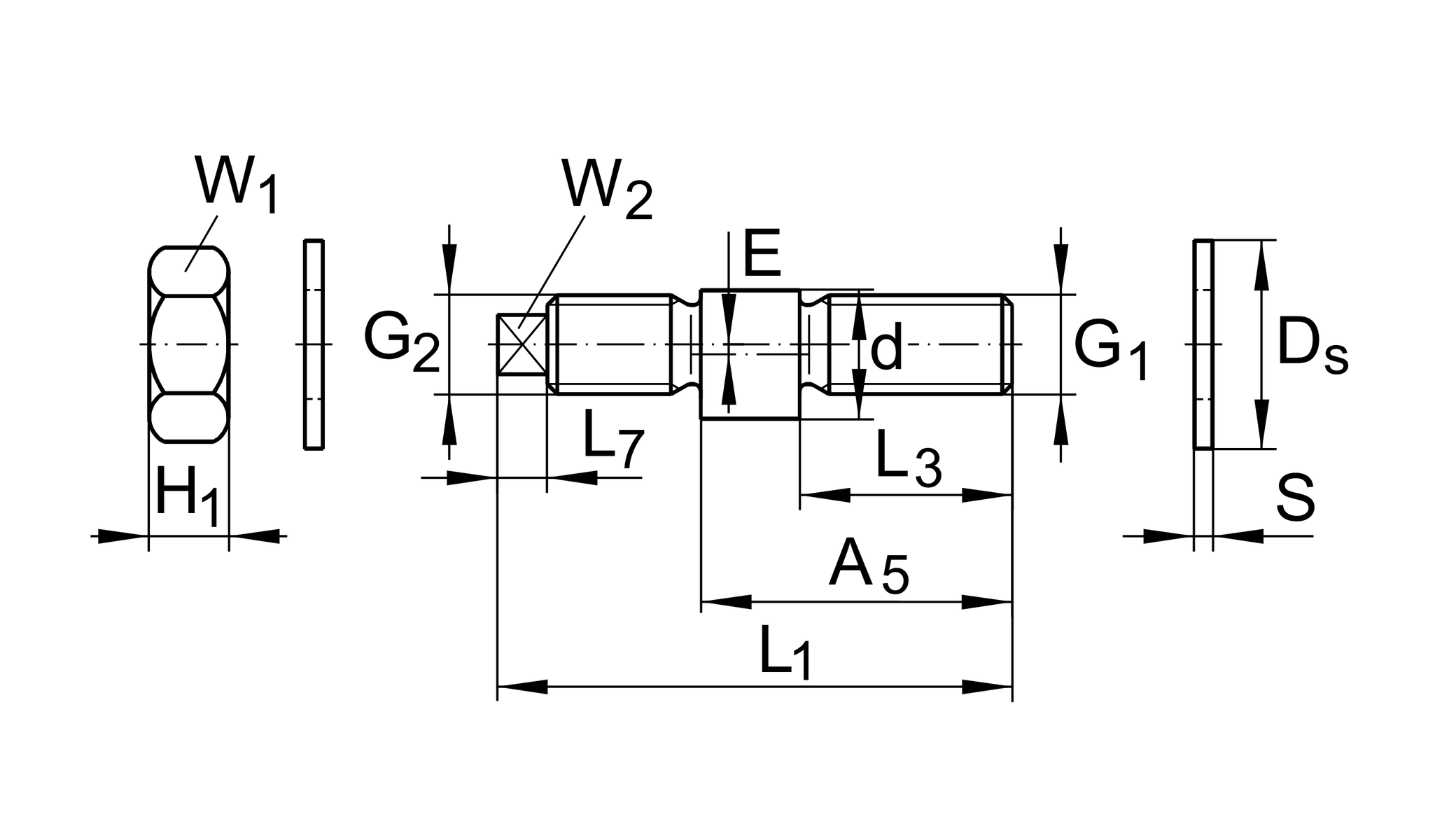
| BGR | 08 | Dimension PIN |
| G1 | M8 | |
| G2 | M8x0,75 | |
| L1 | 32.5 mm | |
| ≈m | 20 g | 重量 |
安裝尺寸
| A5 | 21.6 mm | |
| Ds | 14 mm | |
| d | 8 mm | |
| E | 1 mm | |
| H1 | 4 mm | |
| L3 | 13 mm | |
| L7 | 3 mm | |
| S | 1 mm | |
| W1 | 13 mm | |
| W2 | 5 mm | |
附加資訊
| LFR..-2Z | siehe Katalog: LF1 | possible track roller-pin combinations |
加入詢價
Journal track roller LFE08-1
已將您選擇的品項
加入詢價清單
非常感謝您!
選擇更多商品
瀏覽詢價清單