PRODUCTS
- 首頁
- 產品介紹
| d | 30 mm | 內徑 |
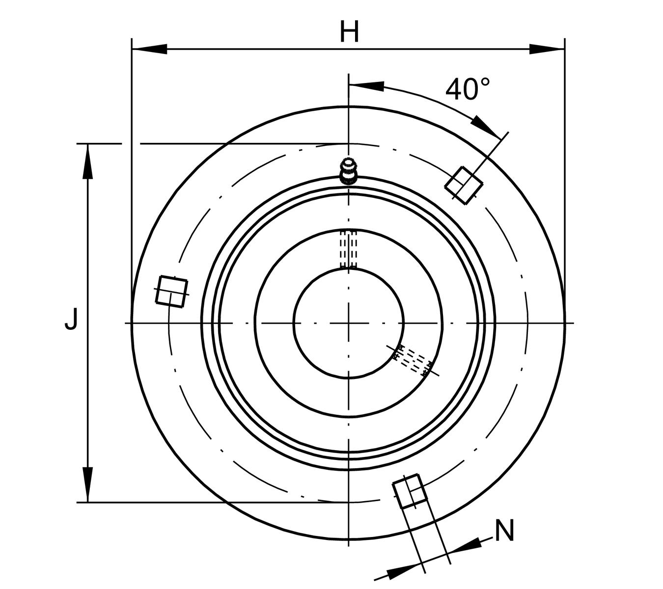
| H2 | 112.7 mm | Height flange |
| H | 112.7 mm | Height flange |
| U | 24.7 mm | 總高度單位 |
| Cr | 18,700 N | 基本額定動載荷,徑向 |
| C0r | 10,700 N | 基本額定靜態負荷,徑向 |
| Cur | 530 N | 疲勞負載極限,徑向 |
| C0r G | 5,000 N | Load carrying capacity (軸承座) |
| ≈m | 0.6 kg | 重量 |
| J | 90.5 mm | Pitch circle diameter (holes) |
| N | 10.5 mm | Fixing square |
| n | 3 | 螺絲孔數 |
| A | 9 mm | 外殼高度 |
| B | 38.1 mm | 寬度 |
| S | 2.5 mm | 厚度 of flange |
| V | 71 mm | Shoulder diameter 軸承座 |
| d3 | 44 mm | 外徑 eccentric locking collar |
1 | 外殼數量 | |
1 | 外殼數量 2 | |
FLAN62-MSB-VA | 軸承座 | |
GYE30-KRR-B-VA | 軸承型號 |
| Tmin | -35 °C | 最低工作溫度 |
| Tmax | 100 °C | 最高操作溫度 |
| Material | VA | Stainless Steel |
| Special material | VA | Corrosion-resistant VA design |