PRODUCTS
- 首頁
- 產品介紹
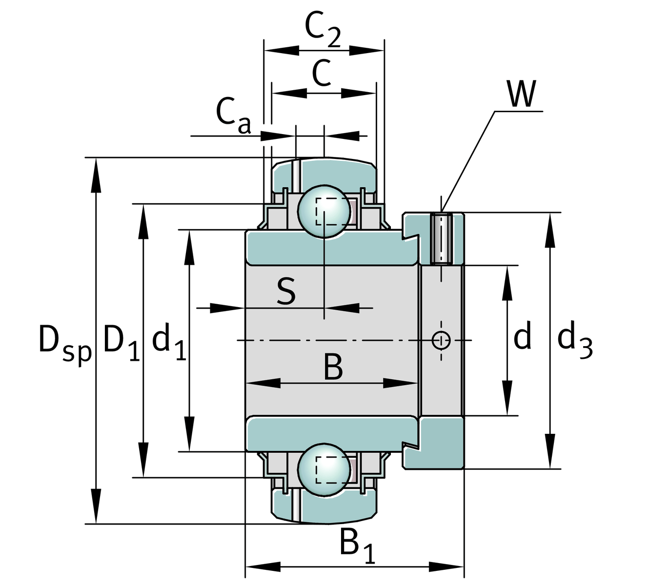
| d | 30 mm | 內徑 |
| DSP | 72 mm | 外徑 |
| B | 36.6 mm | 寬度 |
| Cur | 870 N | 疲勞負載極限,徑向 |
| B1 | 50.2 mm | 鎖環總寬度 |
| Cr | 29,500 N | 基本額定動載荷,徑向 |
| C0r | 16,700 N | 基本額定靜態負荷,徑向 |
| ≈m | 0.63 kg | 重量 |
| C | 20 mm | 外圈寬度 |
| C2 | 24 mm | 封口總寬度 |
| S | 17.5 mm | 滾道距離 |
| d1 | 44 mm | 內圈擋邊直徑 |
| D1 | 60.2 mm | 外徑密封 |
| Ca | 6.2 mm | 至潤滑孔距離 |
| d3 | 51 mm | 鎖緊環/鎖緊螺帽外徑 |
| W | 5 mm | 平面寬度 |
| f0 | 12.9 | 計算參數 |
| Sealing | KRR | 兩側唇形密封 |
| Shape of outer surface | B |