PRODUCTS
- 首頁
- 產品介紹
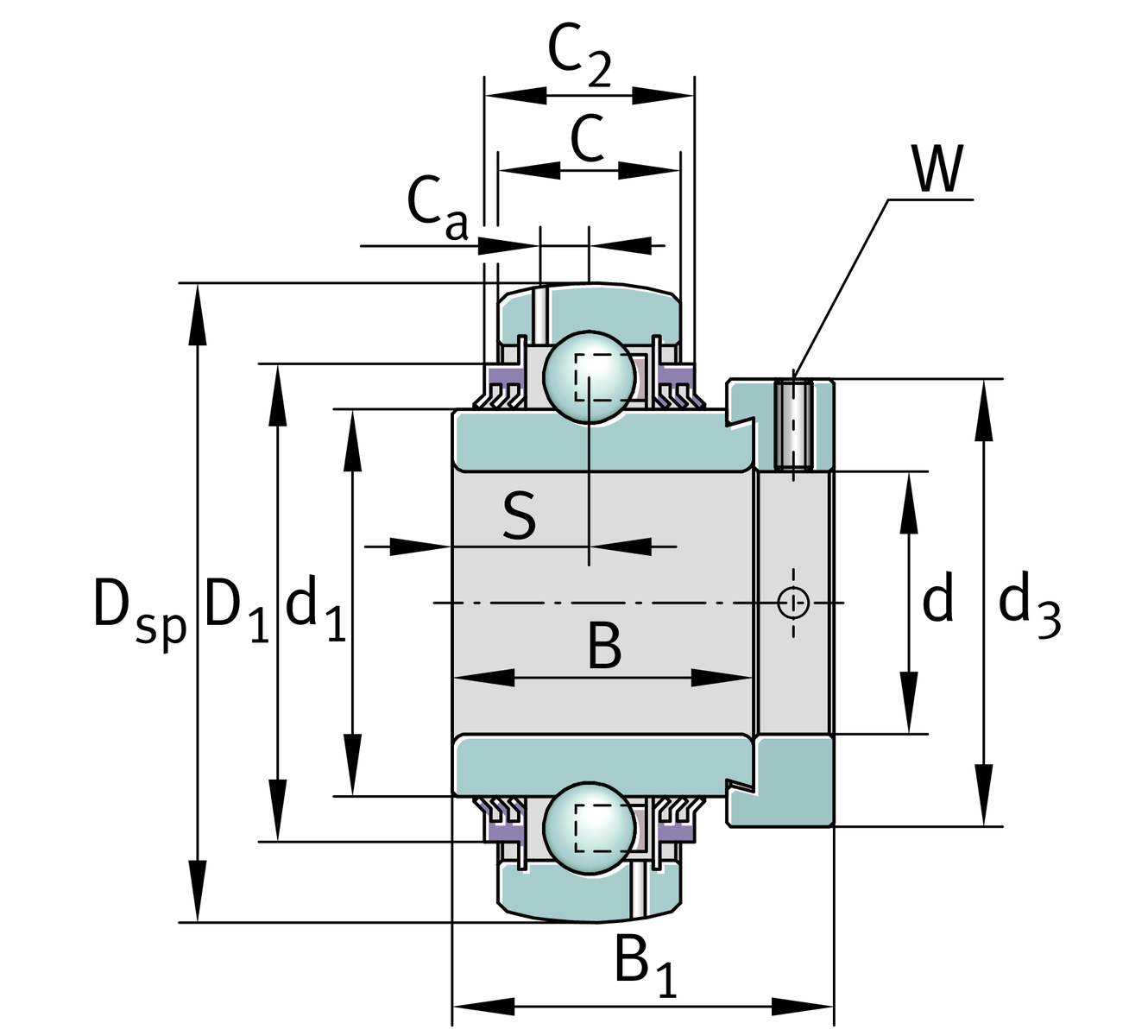
| d | 30 mm | 內徑 |
| DSP | 62 mm | 外徑 |
| B | 36.5 mm | 寬度 |
| B1 | 48.5 mm | 鎖環總寬度 |
| Cr | 18,400 N | 基本額定動載荷,徑向 |
| C0r | 9,900 N | 基本額定靜態負荷,徑向 |
| ≈m | 0.371 kg | 重量 |
| C | 18 mm | 外圈寬度 |
| S | 18.3 mm | 滾道距離 |
| d1 | 40.19 mm | 內圈擋邊直徑 |
| Ca | 5 mm | 至潤滑孔距離 |
| d3 | 44 mm | 鎖緊環/鎖緊螺帽外徑 |
| W | 4 mm | 平面寬度 |
| Tmin | -20 °C | 最低工作溫度 |
| Tmax | 100 °C | 最高操作溫度 |
| Sealing | KTT | Triple 兩側唇形密封 |
| Shape of outer surface | B | |
| Lubrication hole transposed | AS2/V | AS2/V |