PRODUCTS
- 首頁
- 產品介紹
| FW | 20 mm | Diameter of ball complement |
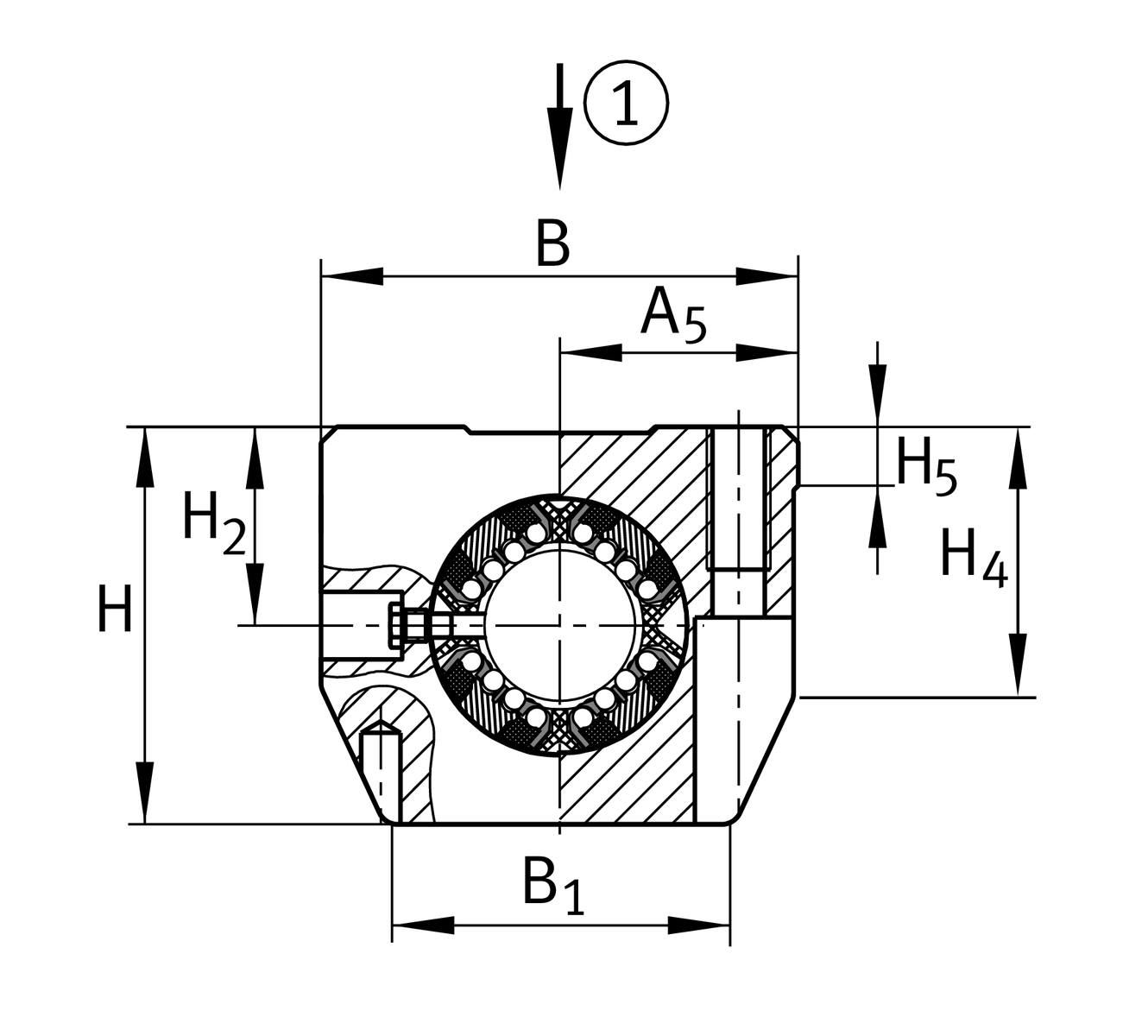
| H | 50 mm | Heigth |
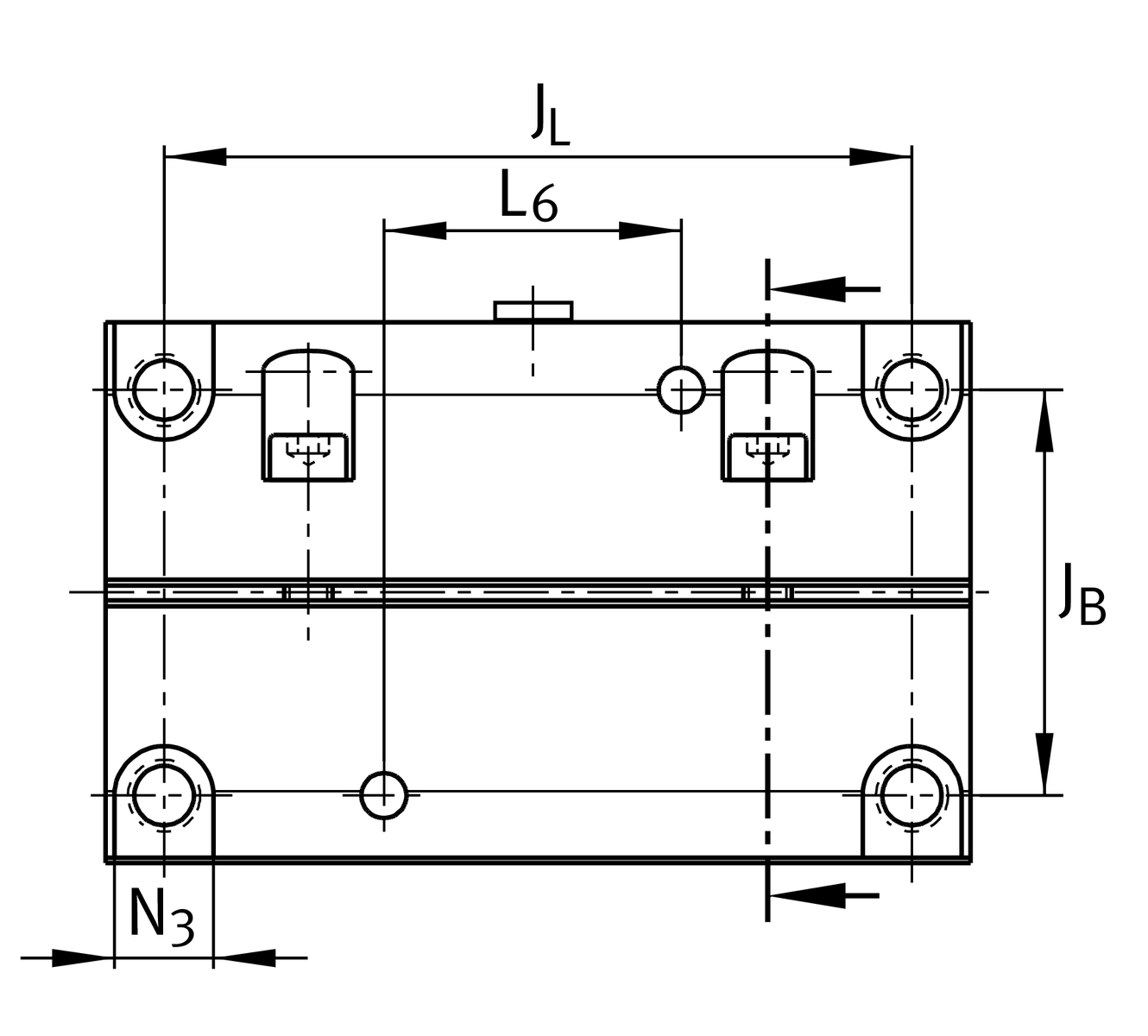
| L | 96 mm | 長度 |
| B | 60 mm | 寬度 |
| Cmax | 3,500 N | Load capacity dyn. 1 |
| C0 max | 4,600 N | Load capacity stat. 1 |
| ≈m | 0.56 kg | 重量 |
| JB | 45 mm | |
| Tol JB | +0,15 | 公差上限 |
| Tol JB | -0,15 | 較低的公差 |
| B1 | 44 mm | |
| A5 | 30 mm | |
| Tol A5 | +0,01 | 公差上限 |
| Tol A5 | -0,01 | 較低的公差 |
| JL | 76 mm | Distance 2 |
| Tol JL | +0,15 | 公差上限 |
| Tol JL | -0,15 | 較低的公差 |
| L6 | 33 mm | Distance 2 |
| H2 | 25 mm | Center height |
| Tol H2 | +0,008 | 公差上限 |
| Tol H2 | -0,016 | 較低的公差 |
| H4 | 34.1 mm | |
| H5 | 7.4 mm | |
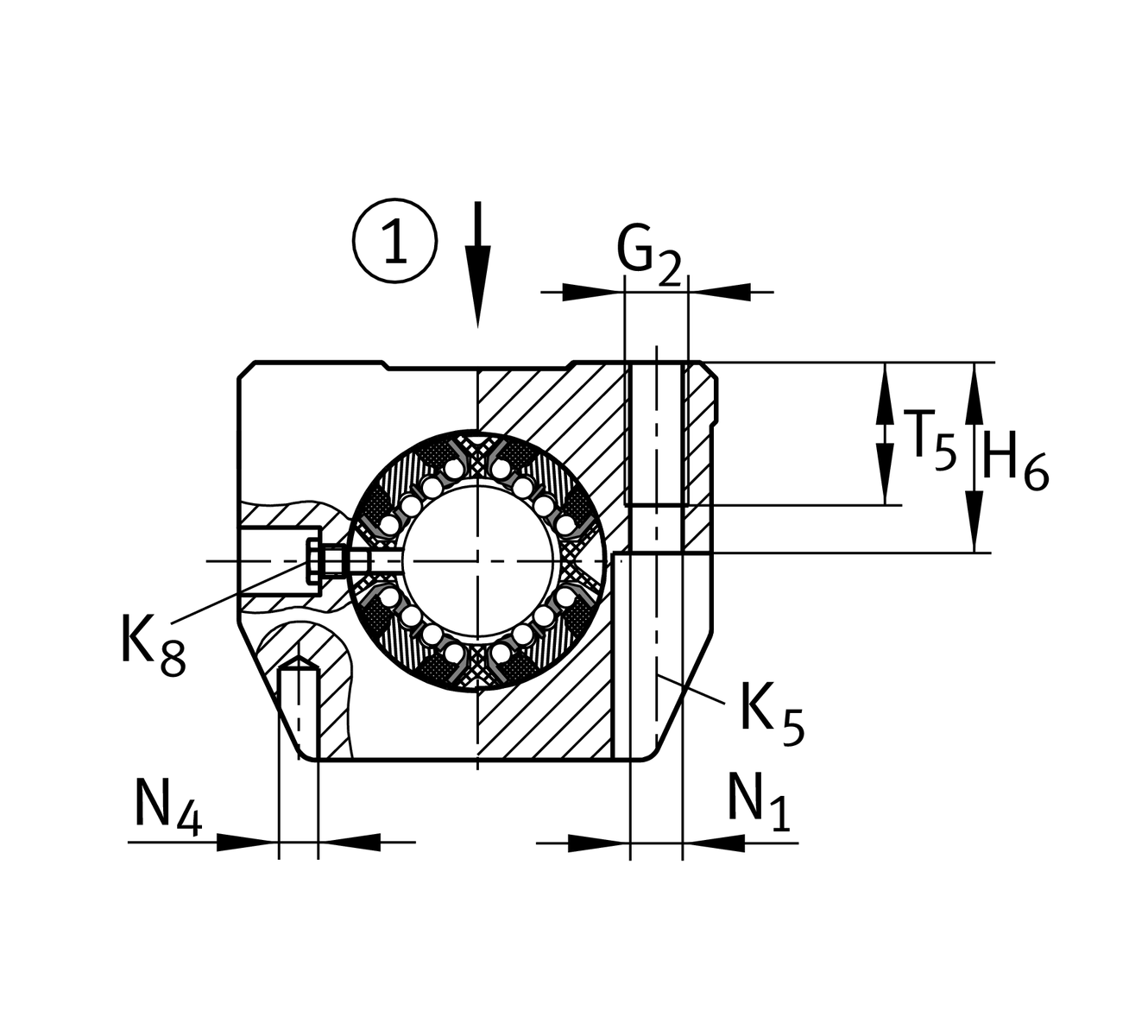
| T5 | 18 mm | |
| H6 | 24 mm | |
| G2 | M8 | |
| N1 | 6.6 mm | |
| N4 | 5 mm | 3 |
| N3 | 11 mm | |
| K5 | M6 | 4 |
| K8 | NIP4MZ | Lubrication nipple 2 |
| W | 4 mm | 平面寬度s |
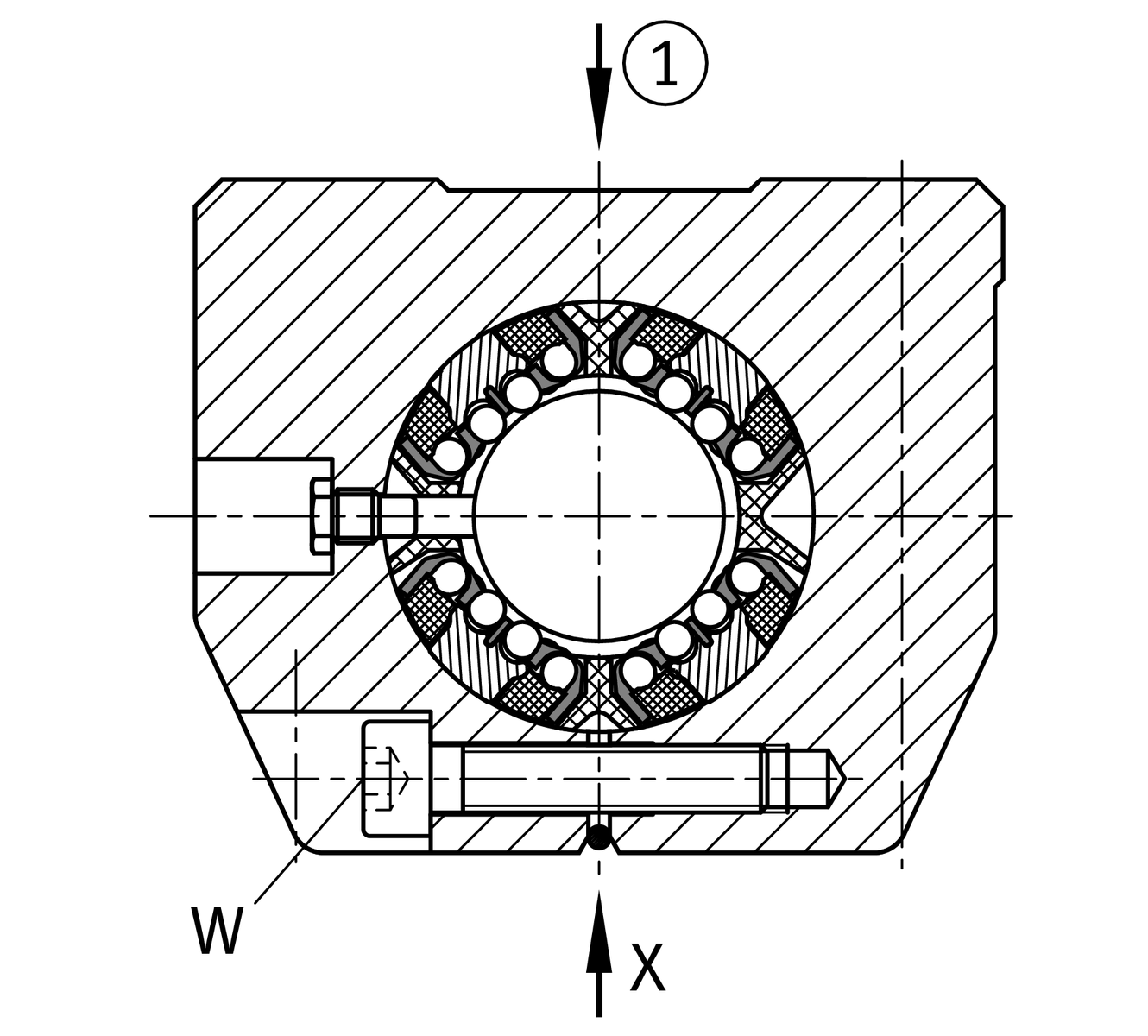
8 | Ball rows |
| Size code | 20 | |
| Seal | PP | |
| Relubrication feature | AS |