PRODUCTS
- 首頁
- 產品介紹
| FW | 16 mm | Diameter of ball complement |
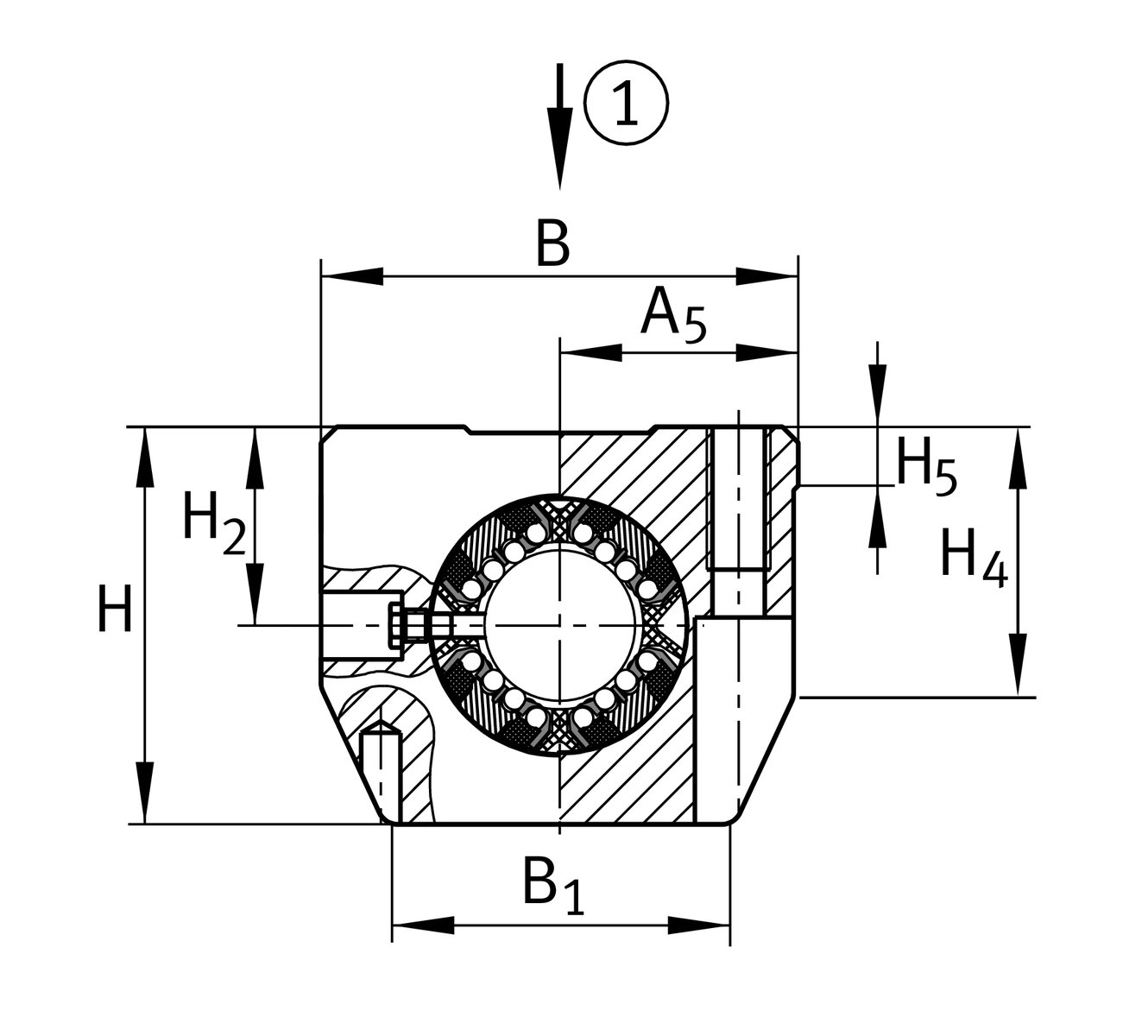
| H | 42 mm | Heigth |
| L | 78 mm | 長度 |
| B | 53 mm | 寬度 |
| Cmax | 2,330 N | Load capacity dyn. 1 |
| C0 max | 3,100 N | Load capacity stat. 1 |
| ≈m | 0.35 kg | 重量 |
| JB | 40 mm | |
| Tol JB | +0,15 | 公差上限 |
| Tol JB | -0,15 | 較低的公差 |
| B1 | 40 mm | |
| A5 | 26.5 mm | |
| Tol A5 | +0,01 | 公差上限 |
| Tol A5 | -0,01 | 較低的公差 |
| JL | 64 mm | Distance 2 |
| Tol JL | +0,15 | 公差上限 |
| Tol JL | -0,15 | 較低的公差 |
| L6 | 26 mm | Distance |
| H2 | 22 mm | Center height |
| Tol H2 | +0,008 | 公差上限 |
| Tol H2 | -0,016 | 較低的公差 |
| H4 | 29.3 mm | |
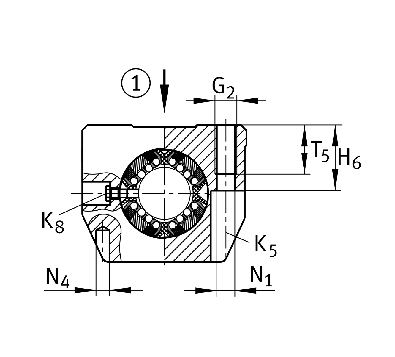
| H5 | 6.9 mm | |
| T5 | 13 mm | |
| H6 | 21 mm | |
| G2 | M6 | |
| N1 | 5.3 mm | |
| N4 | 4 mm | 3 |
| N3 | 10 mm | |
| K5 | M5 | 4 |
| K8 | NIP4MZ | Lubrication nipple 2 |
8 | Ball rows |
| Size code | 16 | |
| Seal | PP | |
| Relubrication feature | AS |