PRODUCTS
- 首頁
- 產品介紹
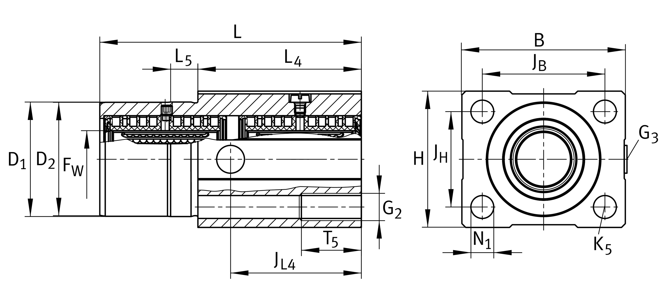
| FW | 30 mm | Diameter of ball complement |
| H | 70 mm | heigth |
| L | 142 mm | 長度 |
| B | 84 mm | 寬度 |
| Cmin | 7,550 N | load capacity dyn. C 1 |
| C0 min | 7,900 N | load capacity stat. C0 1 |
| ≈m | 1.35 kg | 重量 |
| JB | 64 mm | |
| Tol JB | +0,15 | 公差上限 |
| Tol JB | -0,15 | 較低的公差 |
| L4 | 82 mm | |
| L5 | 10 mm | |
| JL4 | 71 mm | Distance |
| D1 | 61 mm | diameter 2 |
| Tol D1 | g7 | Tolerance |
| D2 | 61 mm | diameter |
| Tol D2 | -0,1 | 公差上限 |
| Tol D2 | -0,3 | 較低的公差 |
| JH | 50 mm | |
| Tol JH | +0,15 | 公差上限 |
| Tol JH | -0,15 | 較低的公差 |
| T5 | 35 mm | Thread depth |
| G2 | M16 | 螺紋尺寸 |
| N1 | 13.5 mm | Diameter |
| K5 | M12 | |
| G3 | M8x1 | 螺紋尺寸 |
8 | Ball rows |
| Size code | 30 | |
| Seal | PP | |
| Relubrication feature | AS |