PRODUCTS
- 首頁
- 產品介紹
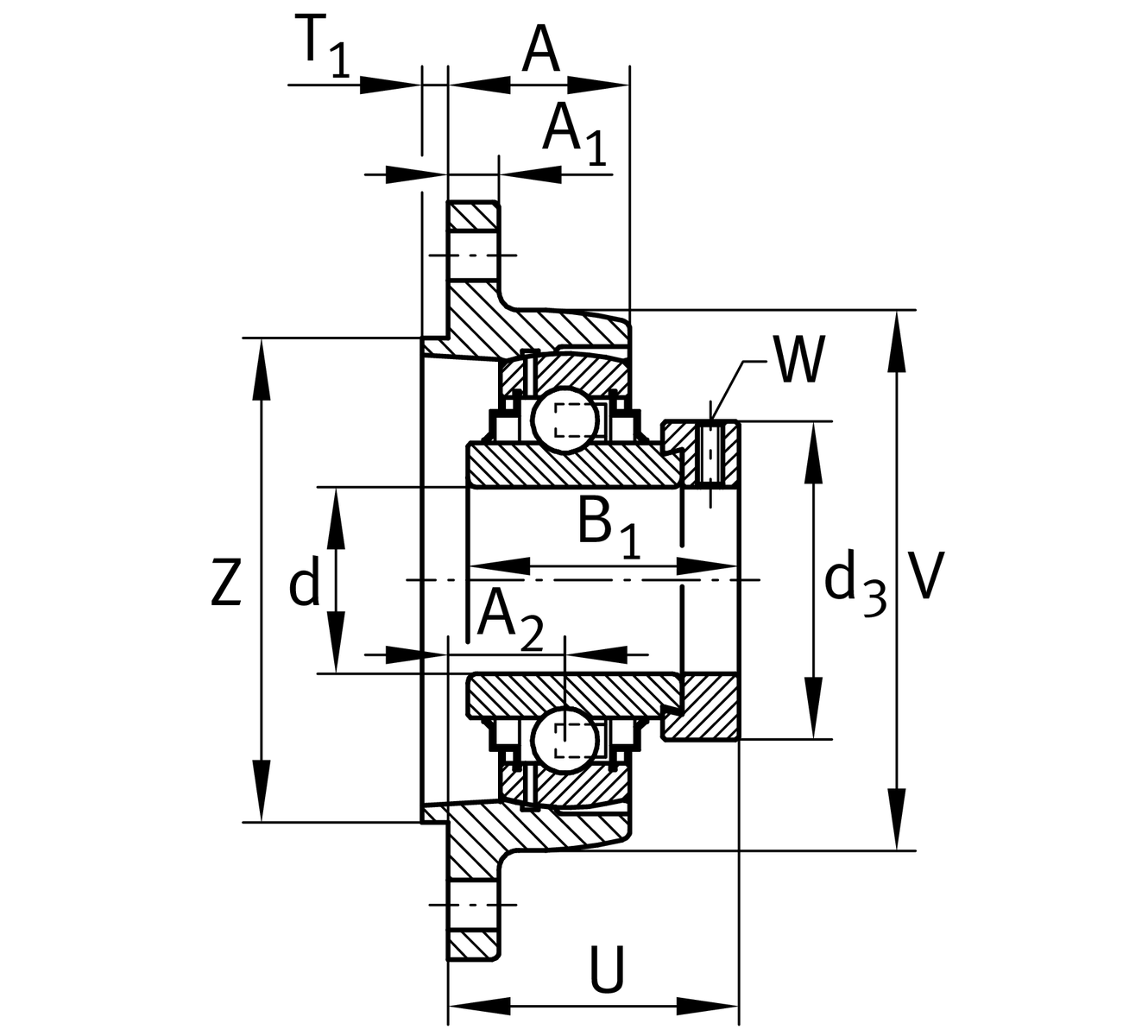
| d | 30 mm | 內徑 |
| L | 83 mm | 法蘭寬度 |
| H | 142 mm | Height flange |
| U | 47.2 mm | 總高度單位 |
| Cr | 19,500 N | 基本額定動載荷,徑向 |
| C0r | 11,300 N | 基本額定靜態負荷,徑向 |
| Cur | 480 N | 疲勞負載極限,徑向 |
| ≈m | 0.98 kg | 重量 |
| J | 116.5 mm | 固定內孔距離 |
| N | 11.5 mm | 固定內徑 |
| T1 | 3 mm | Height spigot |
| Z | 80 mm | Diameter spigot |
h8 | Diameter spigot clearance | |
| W | 4 mm | 平面寬度s |
| n | 2 | 螺絲孔數 |
| A | 28 mm | 外殼高度 |
| A1 | 12 mm | 厚度 of flange |
| A2 | 17 mm | 滾道距離 |
| B1 | 48.5 mm | 鎖環總寬度 |
| Q | M6 | 用於潤滑的連接螺紋 |
| d3 | 44 mm | 外徑 eccentric locking collar |
GEHCJTZ06-GG-N-FA125.1 | 軸承座 | |
GE30-XL-KRR-B-FA101 | 軸承型號 |
| Tmin | -40 °C | 最低工作溫度 |
| Tmax | 180 °C | 最高操作溫度 |
| Material | GG | 灰鑄鐵 |
| Manufacturing instruction | FA101 | High and low temperature design -40°C to +180°C |