PRODUCTS
- 首頁
- 產品介紹
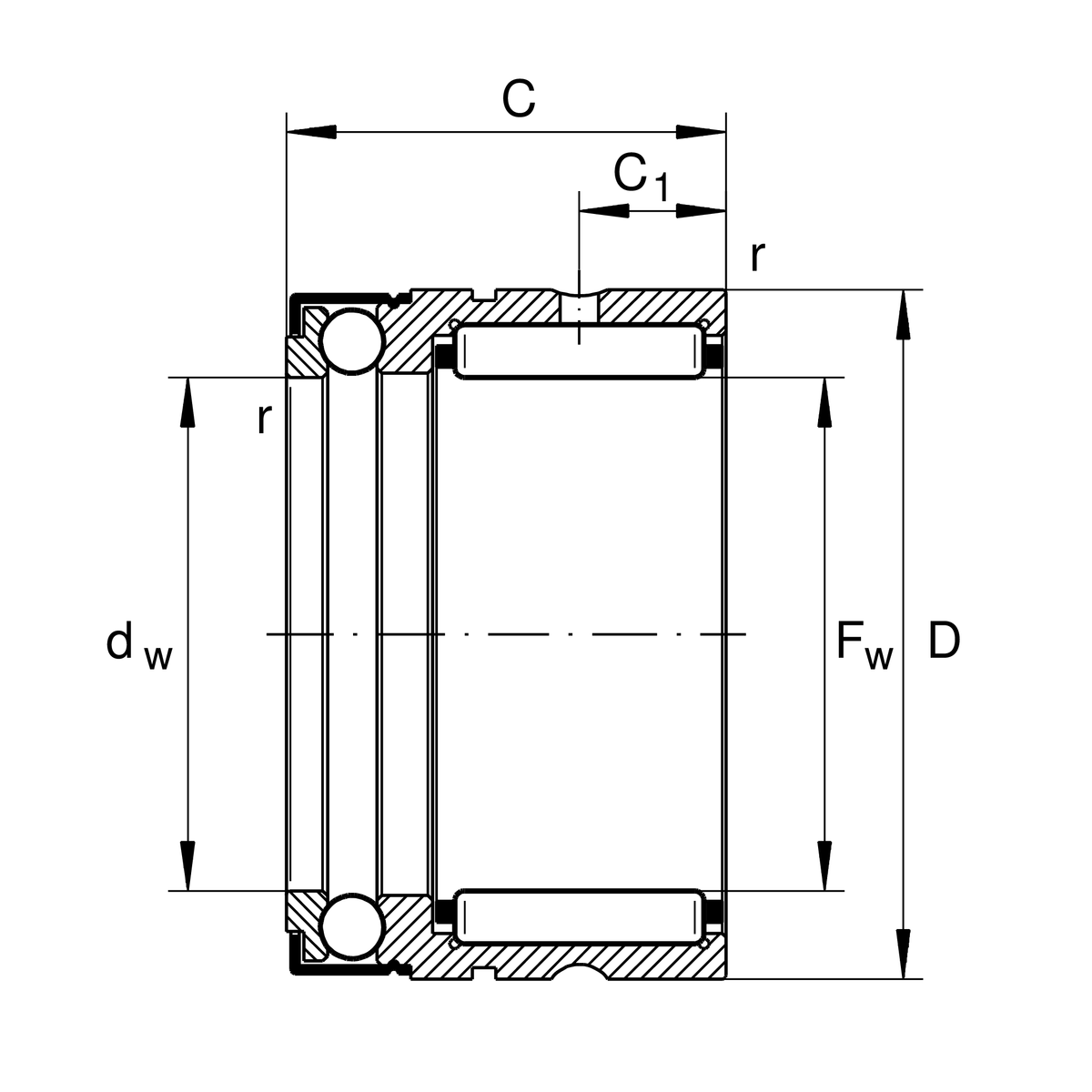
| Fw | 30 mm | 內徑 |
| D | 42 mm | 外徑 |
| C | 30 mm | 高度 |
| Cr | 25,500 N | 基本額定動載荷,徑向 |
| C0r | 36,000 N | 基本額定靜態負荷,徑向 |
| Ca | 11,700 N | 基本額定動載荷,軸向 |
| C0a | 28,000 N | 基本額定靜態載荷,軸向 |
| Cur | 6,400 N | 疲勞負載極限,徑向 |
| Cua | 1,270 N | 疲勞負荷極限,軸向 |
| nG | 4,300 1/min | 極限轉速 |
| ≈m | 121.25 g | 重量 |
| da | 36.5 mm | Mounting dimension shaft shoulder |
| ra max | 0.3 mm | 最大凹槽半徑 |
| D1 | 45.1 mm | Connection diameter snap ring |
| C2 | 14.2 mm | Connection width with snap ring |
| C1 | 10 mm | 至潤滑孔距離 |
| C2 | 10 mm | 至潤滑孔距離 |
| dw | 30 mm | 內徑 of shaft washer |
| rmin | 0.3 mm | 最小倒角尺寸 |
| Tmin | -30 °C | 最低工作溫度 |
| Tmax | 120 °C | 最高操作溫度 |
IR25X30X20-XL | Suitable inner rings IR | |
WR42, SW42 | Snap ring |
| Sealing | Z | Bearing with end cap |
| Cage | Standard | Standard |