PRODUCTS
- 首頁
- 產品介紹
| FW | 50 mm | Diameter of ball complement |
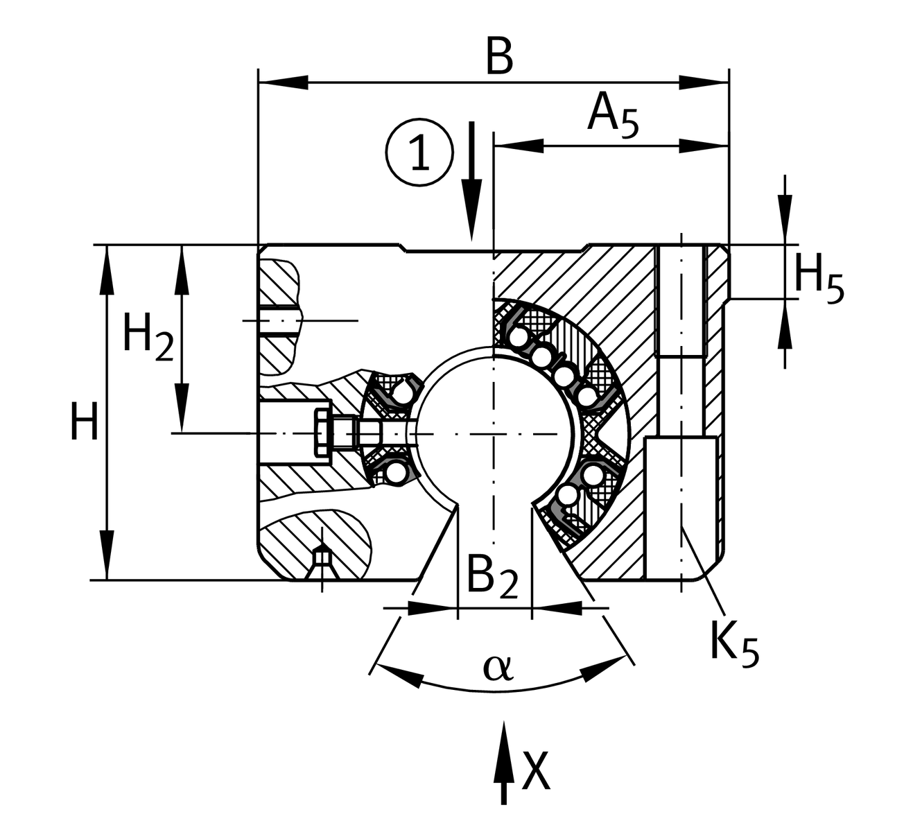
| H | 88 mm | heigth |
| L | 100 mm | 長度 |
| B | 132 mm | 寬度 |
| Cmax | 15,100 N | load capacity dyn. 1 |
| C0 max | 13,900 N | load capacity stat. 1 |
| ≈m | 2.67 kg | 重量 |
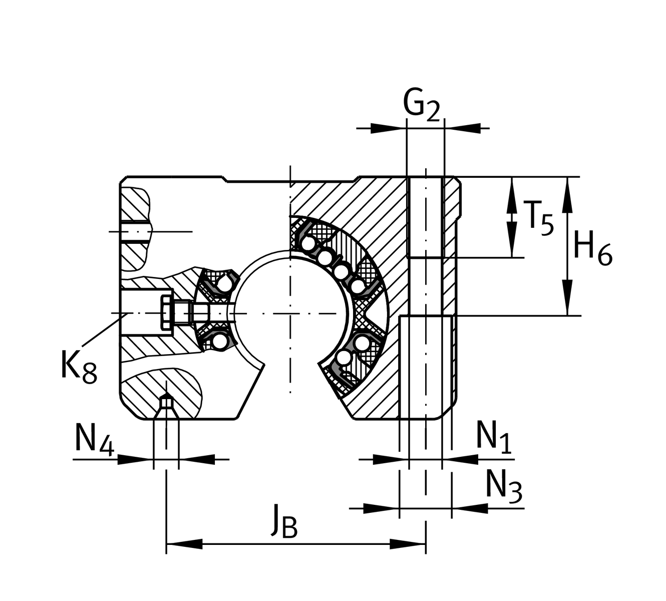
| JB | 108 mm | |
| Tol JB | +0,15 | 公差上限 |
| Tol JB | -0,15 | 較低的公差 |
| B2 | 22.7 mm | 2 |
| A5 | 66 mm | |
| Tol A5 | +0,01 | 公差上限 |
| Tol A5 | -0,01 | 較低的公差 |
| JL | 50 mm | Distance 3 |
| Tol JL | +0,15 | 公差上限 |
| Tol JL | -0,15 | 較低的公差 |
| H2 | 50 mm | Center height |
| Tol H2 | +0,008 | 公差上限 |
| Tol H2 | -0,016 | 較低的公差 |
| H5 | 11.1 mm | |
| T5 | 35 mm | |
| H6 | 49 mm | |
| G2 | M16 | |
| N1 | 13.5 mm | |
| N4 | 4x8.5 | 4 |
| N3 | 20 mm | |
| K5 | M12 | 5 |
| K8 | NIP5MZ | Lubrication nipple |
6 | Ball rows | |
| α | 54 ° | Angle |
| Size code | 50 | |
| Seal | PP | |
| Relubrication feature | AS |