PRODUCTS
- 首頁
- 產品介紹
| FW | 25 mm | Diameter of ball complement |
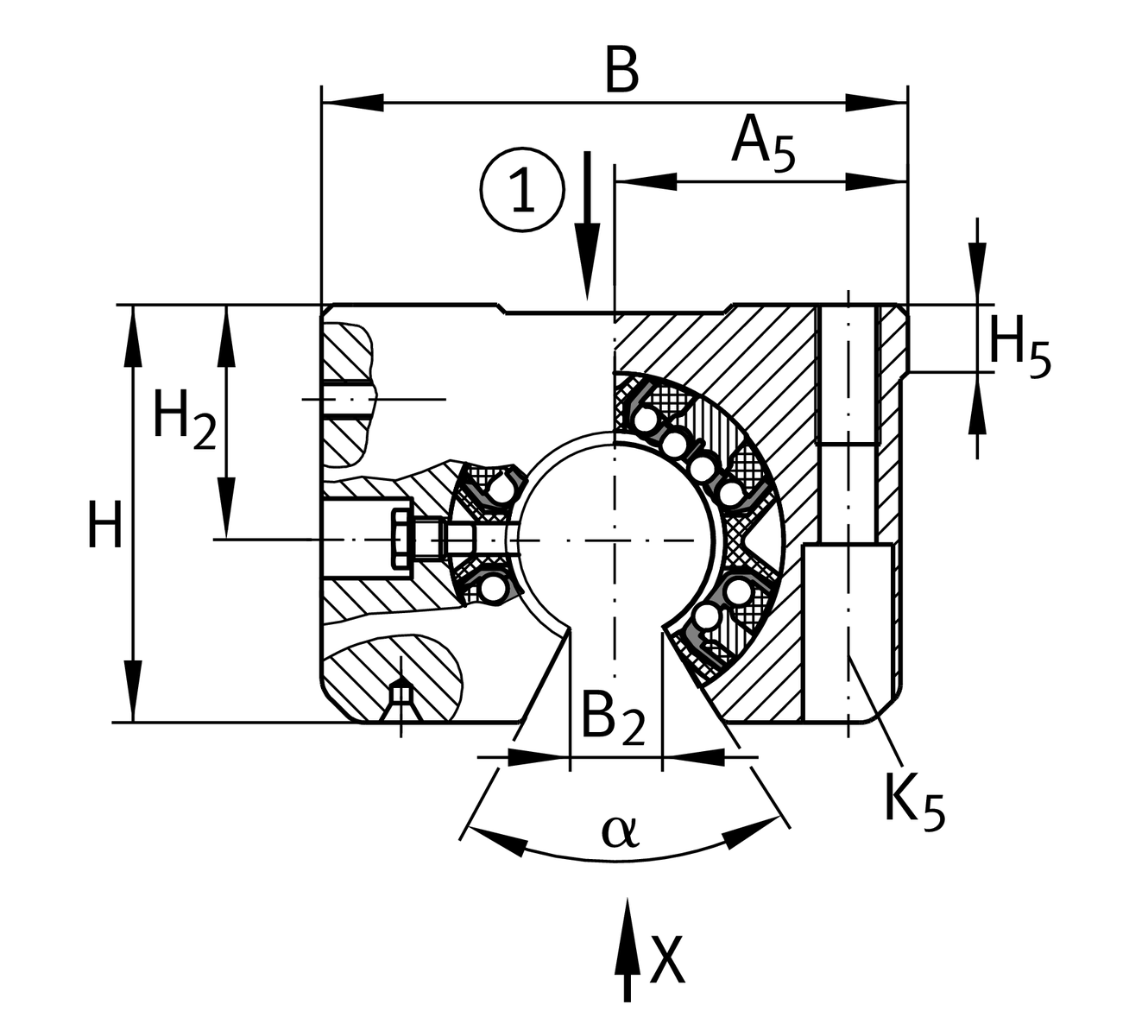
| H | 51 mm | heigth |
| L | 58 mm | 長度 |
| B | 78 mm | 寬度 |
| Cmax | 3,950 N | load capacity dyn. 1 |
| C0 max | 4,300 N | load capacity stat. 1 |
| ≈m | 0.4 kg | 重量 |
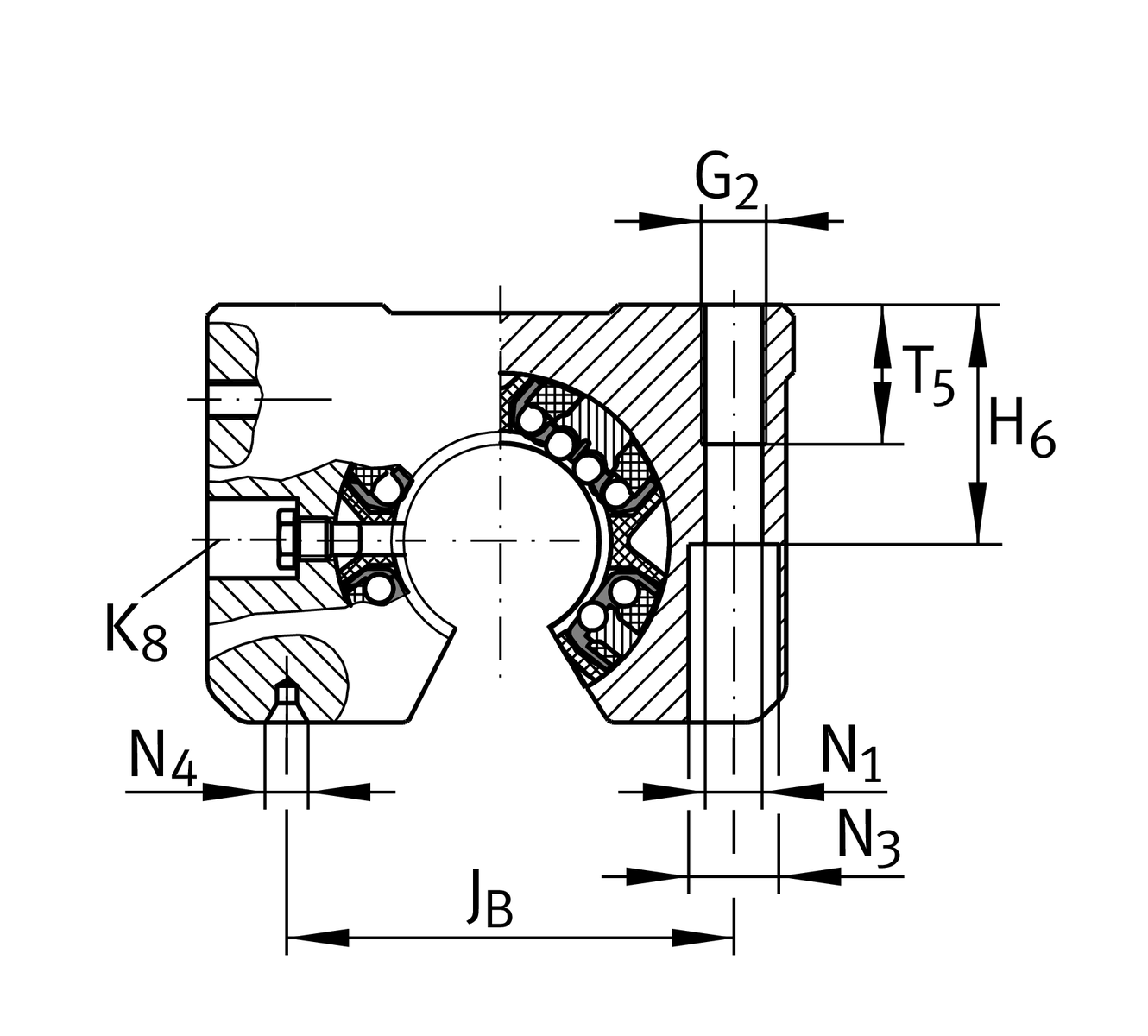
| JB | 60 mm | |
| Tol JB | +0,15 | 公差上限 |
| Tol JB | -0,15 | 較低的公差 |
| B2 | 12.5 mm | 2 |
| A5 | 39 mm | |
| Tol A5 | +0,01 | 公差上限 |
| Tol A5 | -0,01 | 較低的公差 |
| JL | 40 mm | Distance 3 |
| Tol JL | +0,15 | 公差上限 |
| Tol JL | -0,15 | 較低的公差 |
| H2 | 30 mm | Center height |
| Tol H2 | +0,008 | 公差上限 |
| Tol H2 | -0,016 | 較低的公差 |
| H5 | 8.8 mm | |
| T5 | 22 mm | |
| H6 | 29 mm | |
| G2 | M10 | |
| N1 | 8.4 mm | |
| N4 | 2.5x5.3 | 4 |
| N3 | 15 mm | |
| K5 | M8 | 5 |
| K8 | NIP5MZ | Lubrication nipple |
6 | Ball rows | |
| α | 57 ° | Angle |
| Size code | 25 | |
| Seal | PP | |
| Relubrication feature | AS |