PRODUCTS
- 首頁
- 產品介紹
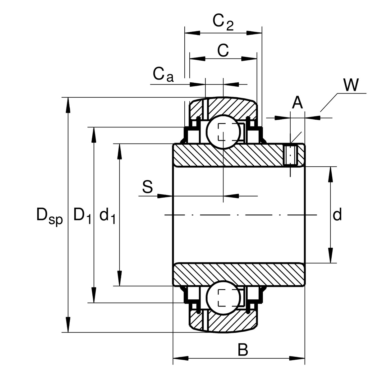
| d | 30 mm | 內徑 |
| DSP | 62 mm | 外徑 |
| B | 38.1 mm | 寬度 |
| Cr | 19,500 N | 基本額定動載荷,徑向 |
| C0r | 11,300 N | 基本額定靜態負荷,徑向 |
| ≈m | 0.3 kg | 重量 |
| C | 18 mm | 外圈寬度 |
| S | 15.9 mm | 滾道距離 |
| d1 | 40.2 mm | 內圈擋邊直徑 |
| Ca | 4.7 mm | 至潤滑孔距離 |
| A | 5.8 mm | Distance thread |
| W | 3 mm | 平面寬度 |
| Sealing | KLL | 兩側迷宮式密封 |
| Shape of outer surface | B | |
| Manufacturing instruction | FA125.5 | Bearing with Corrotect coating |
| Lubricant | L091 | Grease (L091) |