PRODUCTS
- 首頁
- 產品介紹
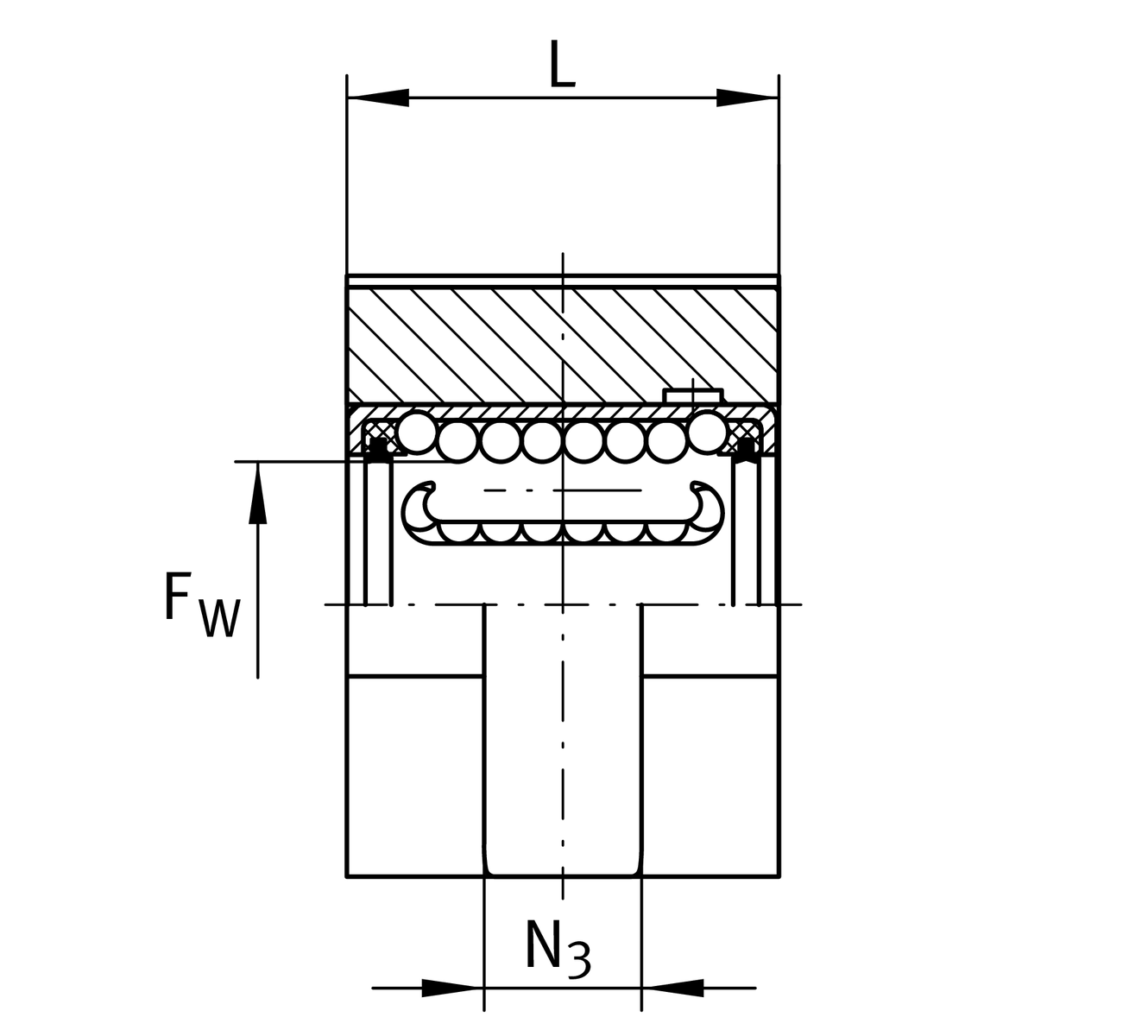
| FW | 10 mm | Diameter of ball complement |
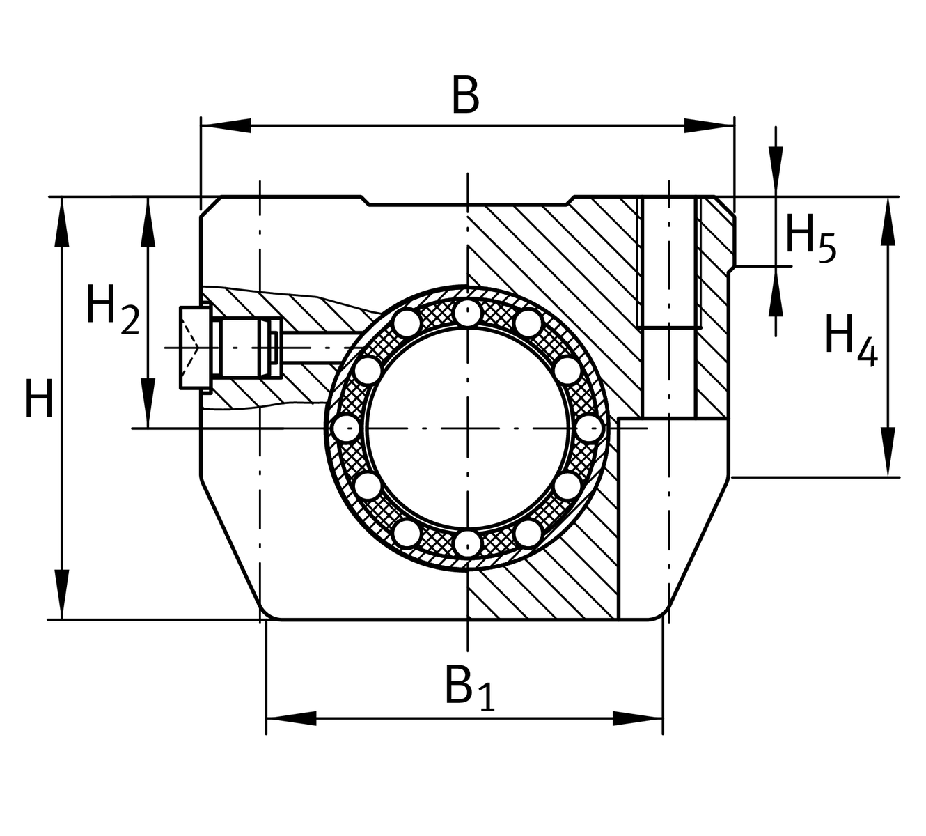
| H | 33 mm | 高度 |
| L | 26.2 mm | 長度 |
| B | 40 mm | 寬度 |
| C | 510 N | Load capacity dyn. C 1 |
| C0 | 370 N | Load capacity stat. C0 1 |
| ≈m | 100 g | 重量 |
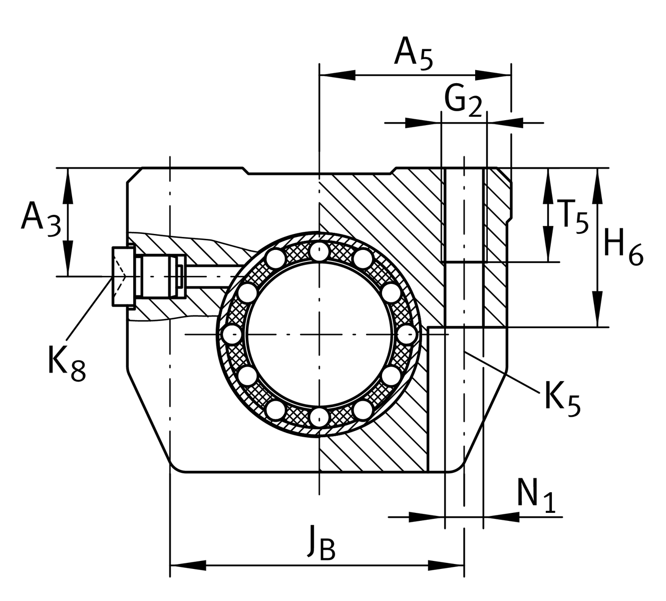
| JB | 29 mm | |
| Tol JB | +0,15 | 公差上限 |
| Tol JB | -0,15 | 較低的公差 |
| B1 | 32 mm | |
| A5 | 20 mm | |
| H2 | 16 mm | Center height |
| Tol H2 | +0,010 | 公差上限 |
| Tol H2 | -0,014 | 較低的公差 |
| H4 | 25.1 mm | |
| H5 | 5 mm | |
| T5 | 11 mm | |
| H6 | 16 mm | |
| A3 | 11 mm | |
| G2 | M5 | |
| N1 | 4.3 mm | |
| N3 | 10 mm | |
| K5 | M4 | 2 |
| K8 | NIPA1 | Lubrication nipple |
| Size code | 10 | |
| Version | B | |
| Seal | PP | |
| Relubrication feature | AS |