PRODUCTS
- 首頁
- 產品介紹
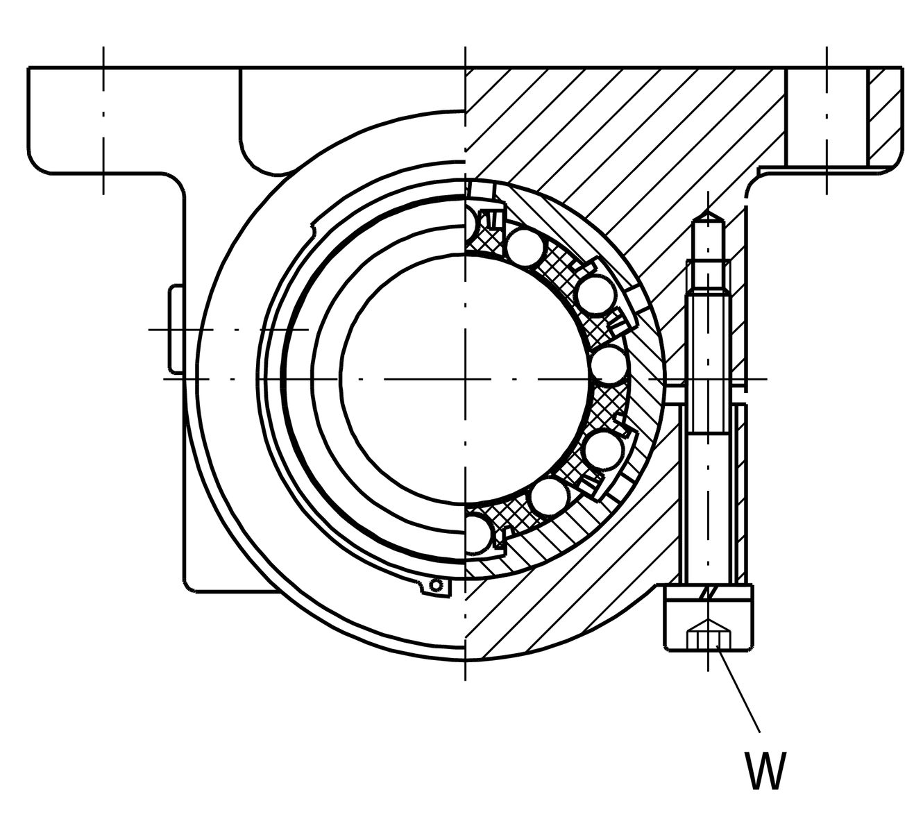
| FW | 25 mm | Diameter of ball complement |
| H | 57.5 mm | heigth |
| L | 58 mm | 長度 |
| Tol L | h12 | tolerance |
| B | 80 mm | 寬度 |
| C | 2,800 N | load capacity dyn. 1 |
| C0 | 2,200 N | load capacity stat. C0 1 |
| ≈m | 0.58 kg | 重量 |
| JB | 68 mm | |
| Tol JB | +0,15 | 公差上限 |
| Tol JB | -0,15 | 較低的公差 |
| B1 | 55 mm | |
| A5 | 40 mm | |
| Tol A5 | +0,02 | 公差上限 |
| Tol A5 | -0,02 | 較低的公差 |
| L4 | 28 mm | Distance |
| L5 | 40 mm | Distance |
| J L4 | 20 mm | Distance |
| H2 | 30 mm | height shaft |
| Tol H2 | +0,015 | 公差上限 |
| Tol H2 | -0,015 | 較低的公差 |
| A3 | 23 mm | |
| H6 | 10 mm | |
| N! | 6.6 mm | |
| N3 | 11 mm | |
| K5 | M6 | 2 |
| K8 | NIPA1 | Lubrication nipple |
| W | 3 mm | 平面寬度s |
6 | Ball rows |
| Size code | 25 | |
| Seal | PP | |
| Relubrication feature | AS |