PRODUCTS
- 首頁
- 產品介紹
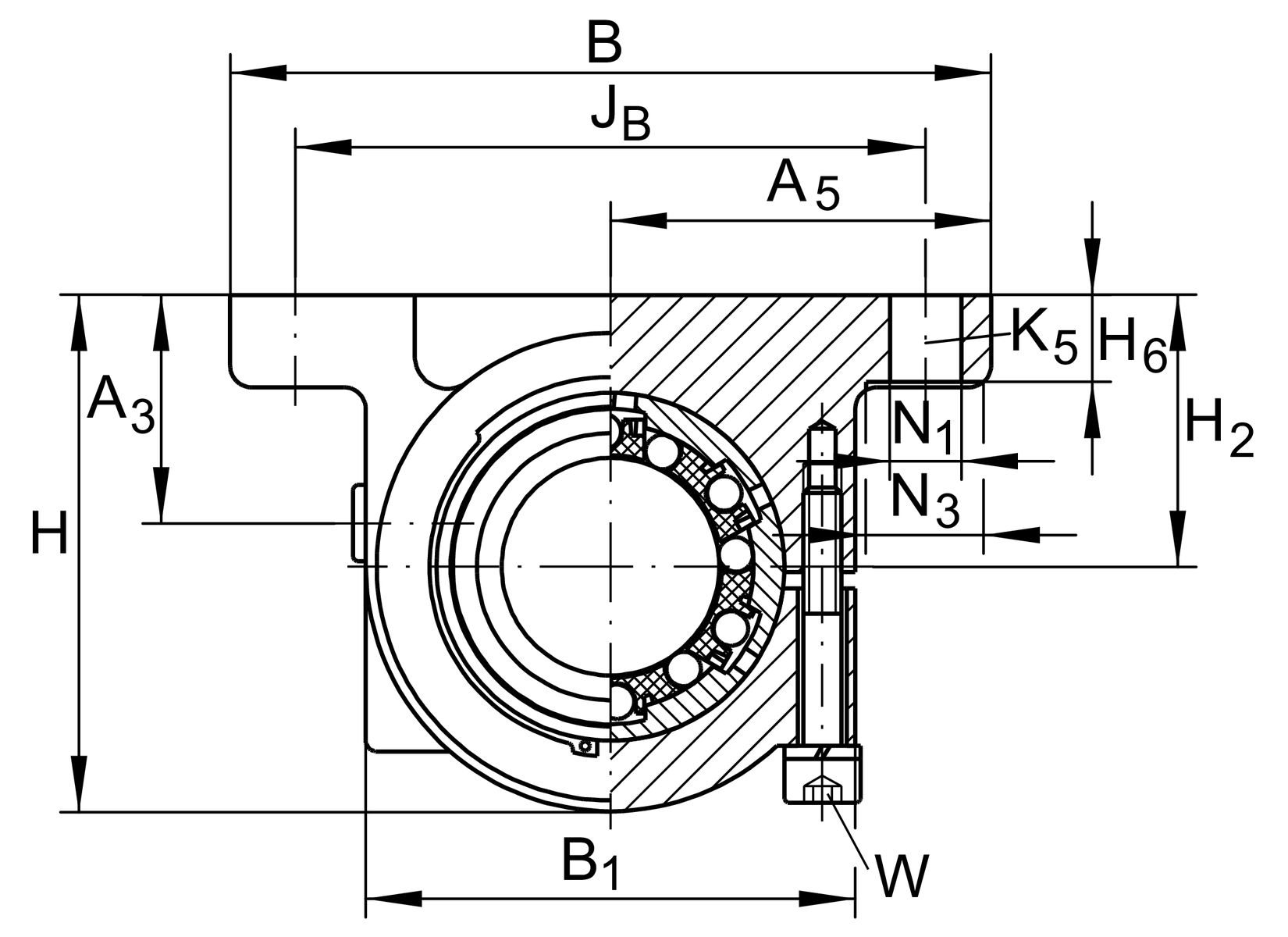
| FW | 12 mm | Diameter of ball complement |
| H | 35.8 mm | heigth |
| L | 32 mm | 長度 |
| Tol L | h12 | tolerance |
| B | 52 mm | 寬度 |
| C | 540 N | load capacity dyn. 1 |
| C0 | 385 N | load capacity stat. C0 1 |
| ≈m | 0.1 kg | 重量 |
| JB | 42 mm | |
| Tol JB | +0,15 | 公差上限 |
| Tol JB | -0,15 | 較低的公差 |
| B1 | 31.6 mm | |
| A5 | 26 mm | |
| Tol A5 | +0,02 | 公差上限 |
| Tol A5 | -0,02 | 較低的公差 |
| L4 | 12 mm | Distance |
| L5 | 20 mm | Distance |
| J L4 | 10 mm | Distance |
| H2 | 20 mm | height shaft |
| Tol H2 | +0,015 | 公差上限 |
| Tol H2 | -0,015 | 較低的公差 |
| A3 | 15 mm | |
| H6 | 6 mm | |
| N! | 5.5 mm | |
| N3 | 10 mm | |
| K5 | M5 | 2 |
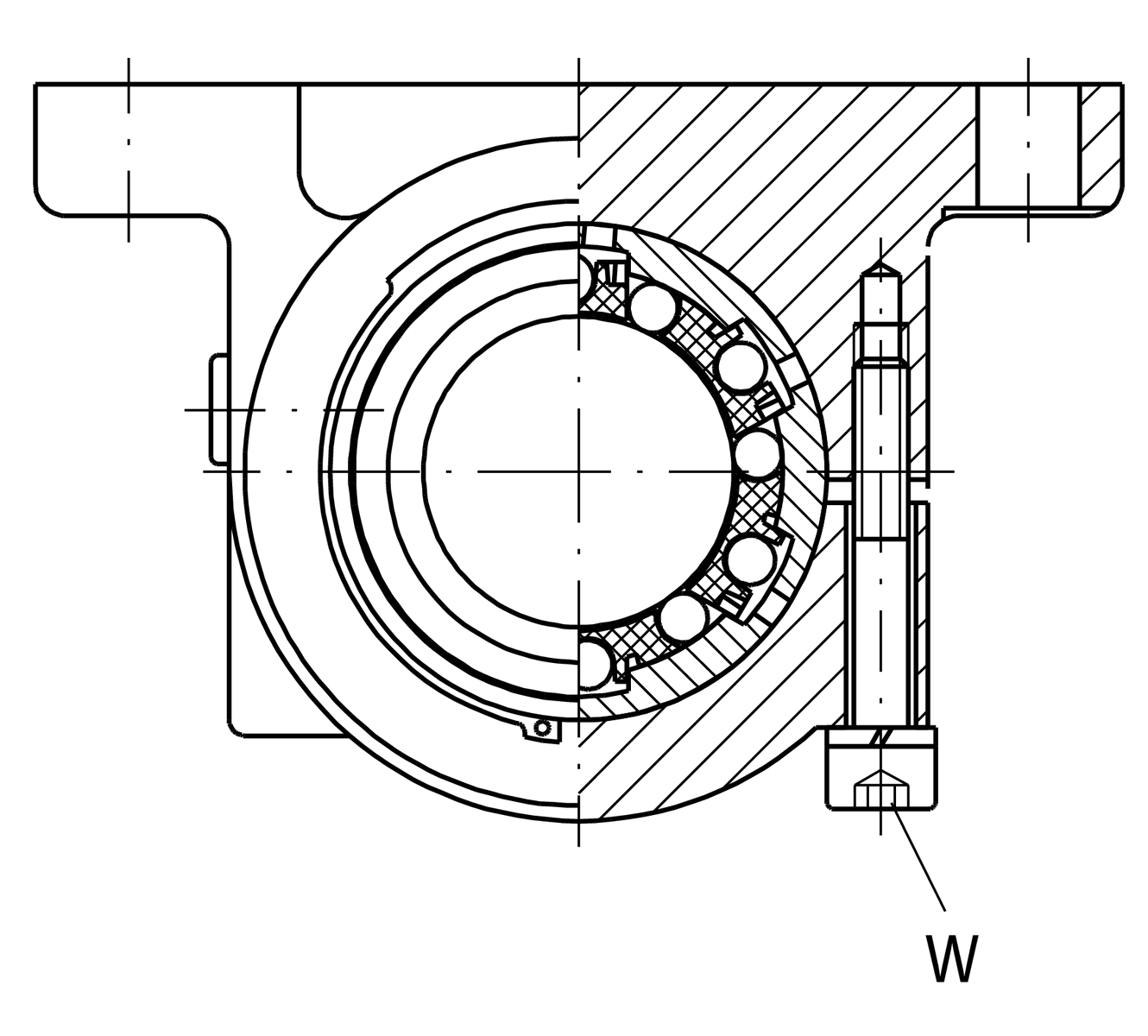
| K8 | NIPA1 | Lubrication nipple |
| W | 2 mm | 平面寬度s |
5 | Ball rows |
| Size code | 12 | |
| Seal | PP | |
| Relubrication feature | AS |