PRODUCTS
- 首頁
- 產品介紹
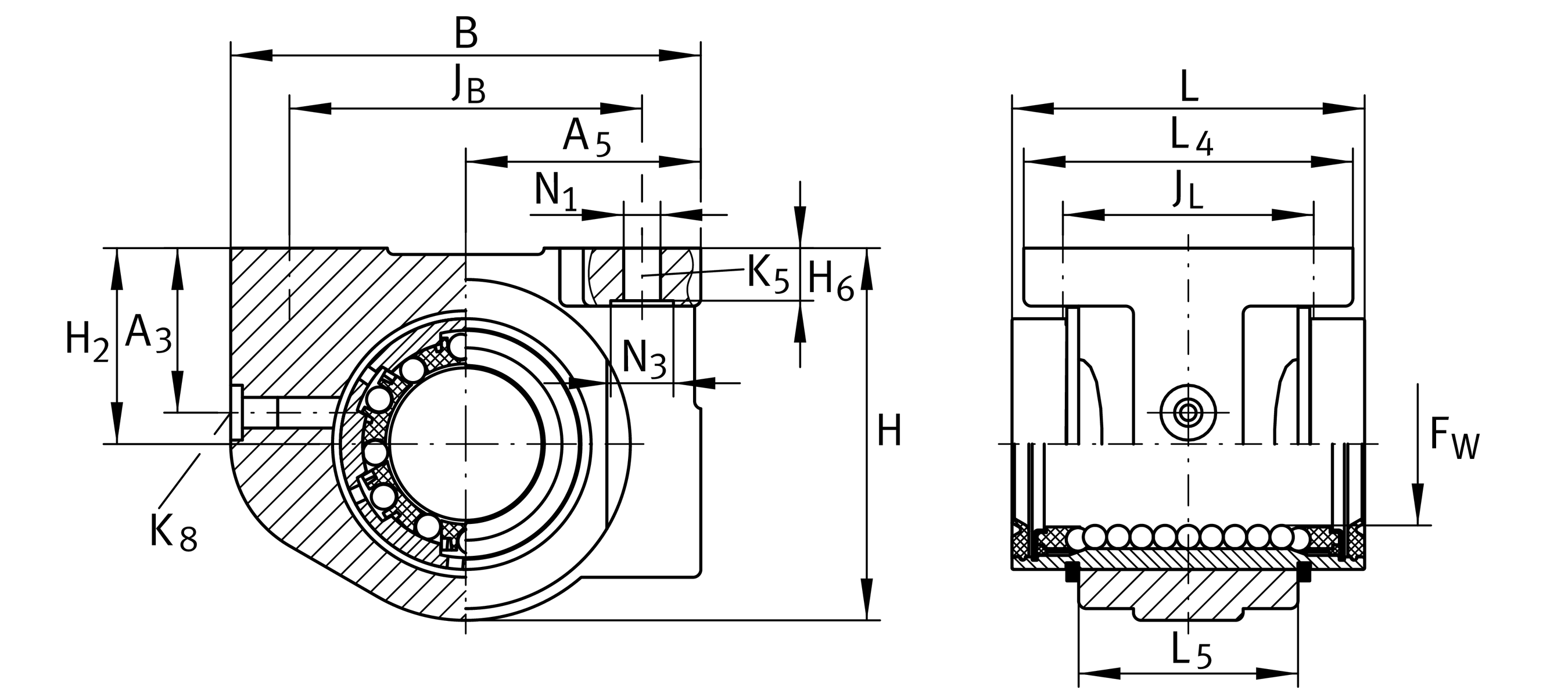
| FW | 30 mm | Diameter of ball complement |
| H | 67 mm | 高度 |
| L | 68 mm | 長度 |
| Tol L | h12 | tolerance |
| B | 84 mm | 寬度 |
| C | 3,600 N | load capacity dyn. C 1 |
| C0 | 2,850 N | load capacity stat. C0 1 |
| ≈m | 0.61 kg | 重量 |
| JB | 68 mm | |
| Tol JB | +0,2 | 公差上限 |
| Tol JB | -0,2 | 較低的公差 |
| A5 | 42 mm | |
| Tol A5 | +0,01 | 公差上限 |
| Tol A5 | -0,01 | 較低的公差 |
| L4 | 60 mm | |
| L5 | 48 mm | |
| JL | 45 mm | |
| Tol JL | +0,2 | 公差上限 |
| Tol JL | -0,2 | 較低的公差 |
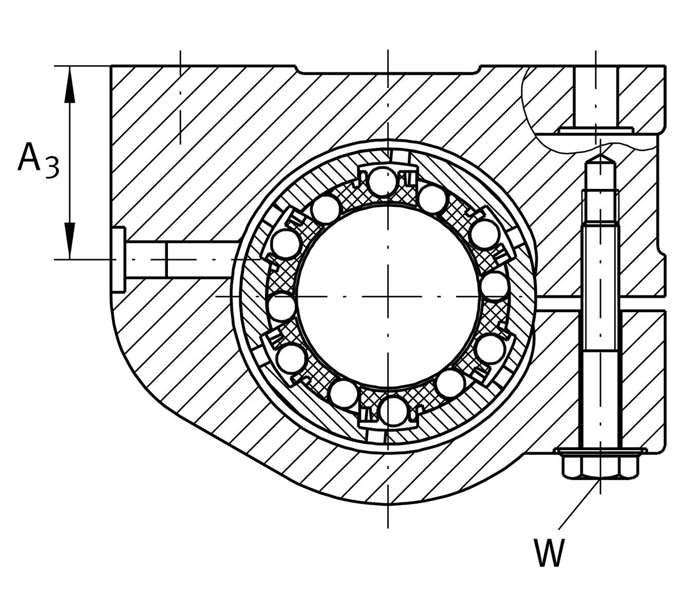
| H2 | 35 mm | Center Height |
| Tol H2 | +0,01 | 公差上限 |
| Tol H2 | -0,01 | 較低的公差 |
| A3 | 25 mm | |
| H6 | 8.7 mm | |
| Tol H6 | -0,5 | tolerance |
| N1 | 6.8 mm | |
| N3 | 11 mm | |
| K5 | M6 | 2 |
| K8 | NIPA2 | Lubrication nipple |
| W | 10 mm | 平面寬度s |
6 | Ball rows |
| Size code | 30 | |
| Seal | PP | |
| Relubrication feature | AS |