PRODUCTS
- 首頁
- 產品介紹
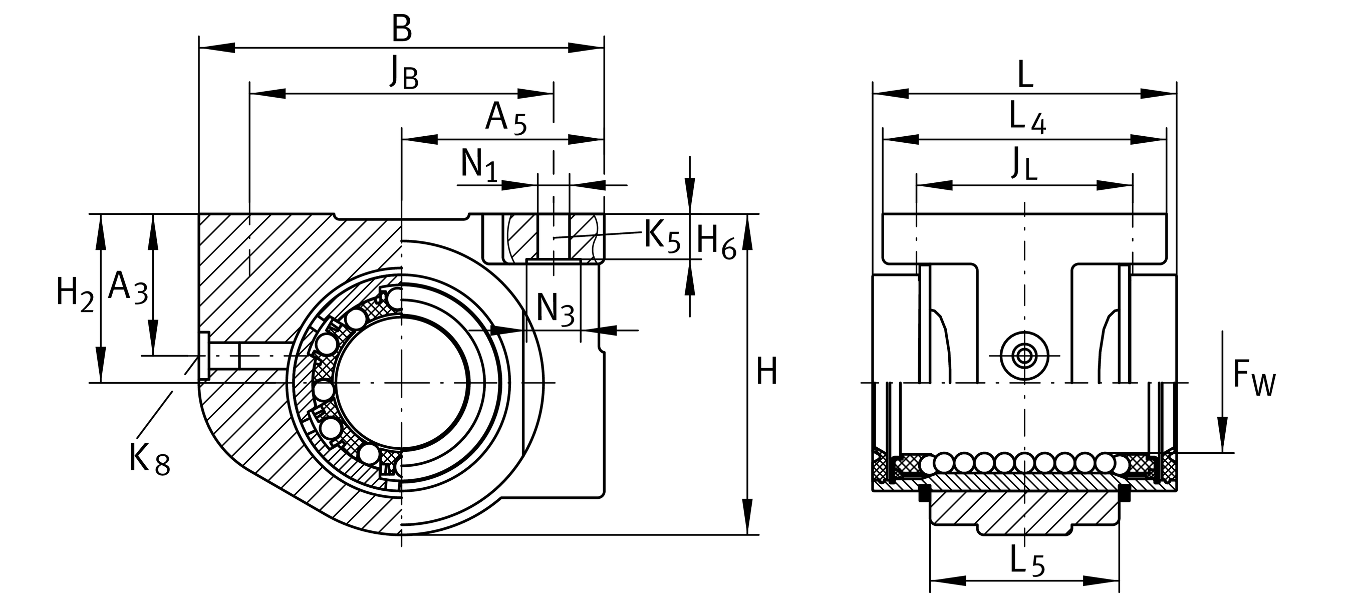
| FW | 12 mm | Diameter of ball complement |
| H | 34 mm | 高度 |
| L | 32 mm | 長度 |
| Tol L | h12 | tolerance |
| B | 42 mm | 寬度 |
| C | 540 N | load capacity dyn. C 1 |
| C0 | 385 N | load capacity stat. C0 1 |
| ≈m | 80 g | 重量 |
| JB | 32 mm | |
| Tol JB | +0,15 | 公差上限 |
| Tol JB | -0,15 | 較低的公差 |
| A5 | 21 mm | |
| Tol A5 | +0,01 | 公差上限 |
| Tol A5 | -0,01 | 較低的公差 |
| L4 | 32 mm | |
| L5 | 20 mm | |
| JL | 23 mm | |
| Tol JL | +0,15 | 公差上限 |
| Tol JL | -0,15 | 較低的公差 |
| H2 | 18 mm | Center Height |
| Tol H2 | +0,01 | 公差上限 |
| Tol H2 | -0,01 | 較低的公差 |
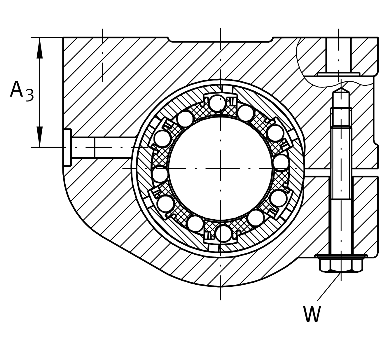
| A3 | 15 mm | |
| H6 | 4.8 mm | |
| Tol H6 | -0,5 | tolerance |
| N1 | 4.7 mm | |
| N3 | 8 mm | |
| K5 | M4 | 2 |
| K8 | NIPA1 | Lubrication nipple |
| W | 7 mm | 平面寬度s |
5 | Ball rows |
| Size code | 12 | |
| Seal | PP | |
| Relubrication feature | AS |