PRODUCTS
- 首頁
- 產品介紹
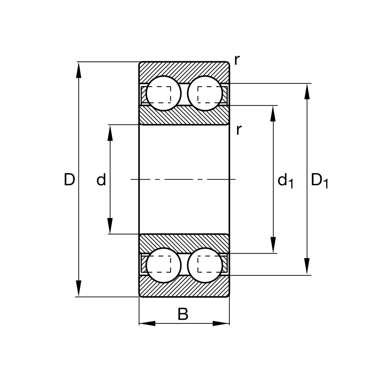
| d | 30 mm | 內徑 |
| D | 72 mm | 外徑 |
| B | 27 mm | 寬度 |
| Cr | 44,000 N | 基本額定動載荷,徑向 |
| C0r | 30,000 N | 基本額定靜態負荷,徑向 |
| Cur | 1,570 N | 疲勞負載極限,徑向 |
| nG | 8,000 1/min | 極限轉速 |
| nϑr | 7,500 1/min | 參考轉速 |
| ≈m | 0.5 kg | 重量 |
| da min | 37 mm | 軸肩最小直徑 |
| Da max | 65 mm | 殼肩最大直徑 |
| ra max | 1 mm | 最大圓角半徑 |
| rmin | 1.1 mm | 最小倒角尺寸 |
| D1 | 59.4 mm | 外圈肩徑 |
| d1 | 42.6 mm | 內圈肩徑 |
| Tmin | -20 °C | 最低工作溫度 |
| Tmax | 120 °C | 最高操作溫度 |
| f0 | 13 | 計算參數 |
| 優化設計 | B | 軸承無裝填槽 |
| Cage | TVH | 玻璃纖維增強聚醯胺 PA66 實體保持架 |