PRODUCTS
- 首頁
- 產品介紹
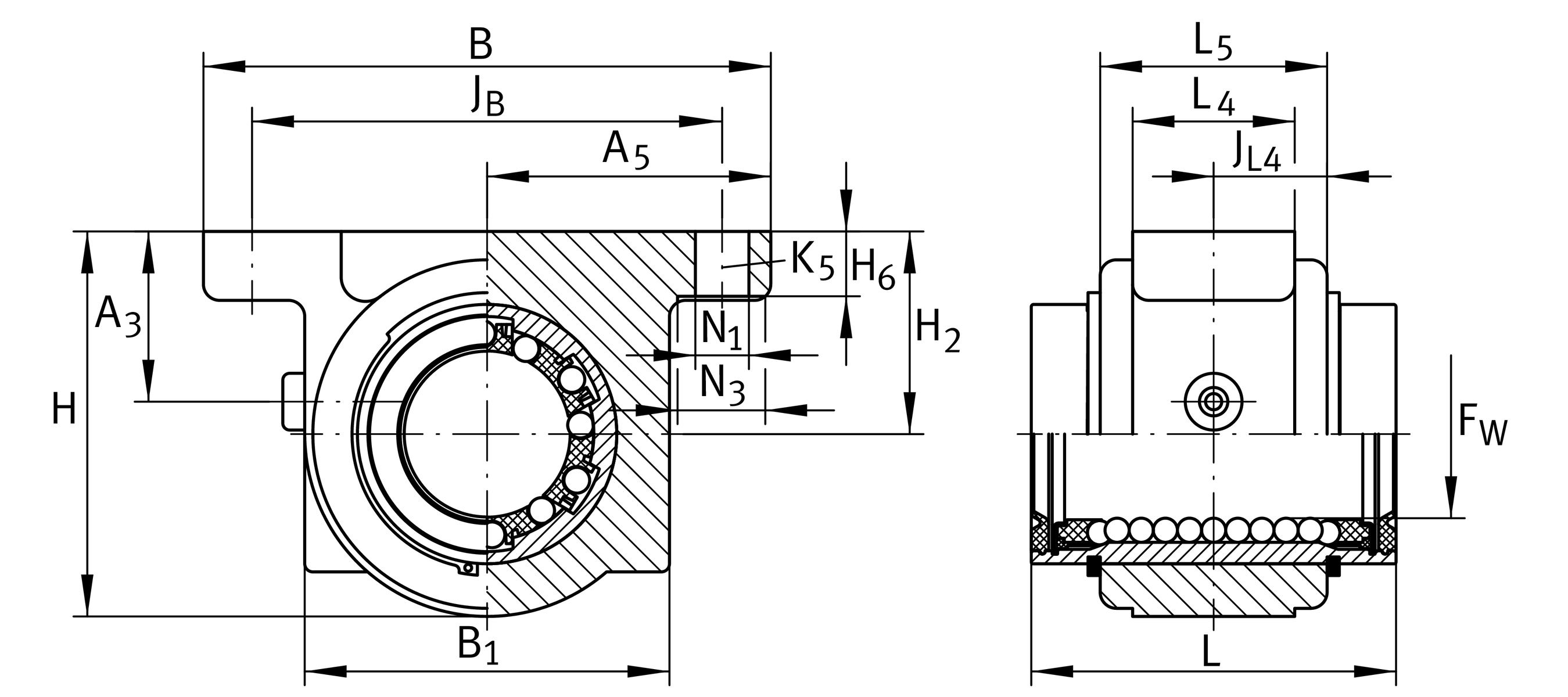
| FW | 50 mm | Diameter of ball complement |
| Tol FW | +0,013 | 公差上限 |
| Tol FW | -0,002 | 較低的公差 |
| H | 98 mm | heigth |
| L | 100 mm | 長度 |
| Tol L | h12 | tolerance |
| B | 135 mm | 寬度 |
| C | 8,700 N | load capacity dyn. 1 |
| C0 | 6,300 N | load capacity stat. 1 |
| ≈m | 2.55 kg | 重量 |
| JB | 116 mm | |
| Tol JB | +0,2 | 公差上限 |
| Tol JB | -0,2 | 較低的公差 |
| B1 | 96 mm | |
| A5 | 67.5 mm | |
| Tol A5 | +0,02 | 公差上限 |
| Tol A5 | -0,02 | 較低的公差 |
| L4 | 52 mm | Distance |
| L5 | 72 mm | Distance |
| J L4 | 36 mm | Distance |
| H2 | 50 mm | Center height |
| Tol H2 | +0,015 | 公差上限 |
| Tol H2 | -0,015 | 較低的公差 |
| A3 | 34 mm | |
| H6 | 14 mm | |
| N1 | 11 mm | |
| N3 | 18 mm | |
| K5 | M10 | 2 |
| K8 | NIPA2 | Lubrication nipple |
6 | Ball rows |
| Size code | 50 | |
| Seal | PP | |
| Relubrication feature | AS |