PRODUCTS
- 首頁
- 產品介紹
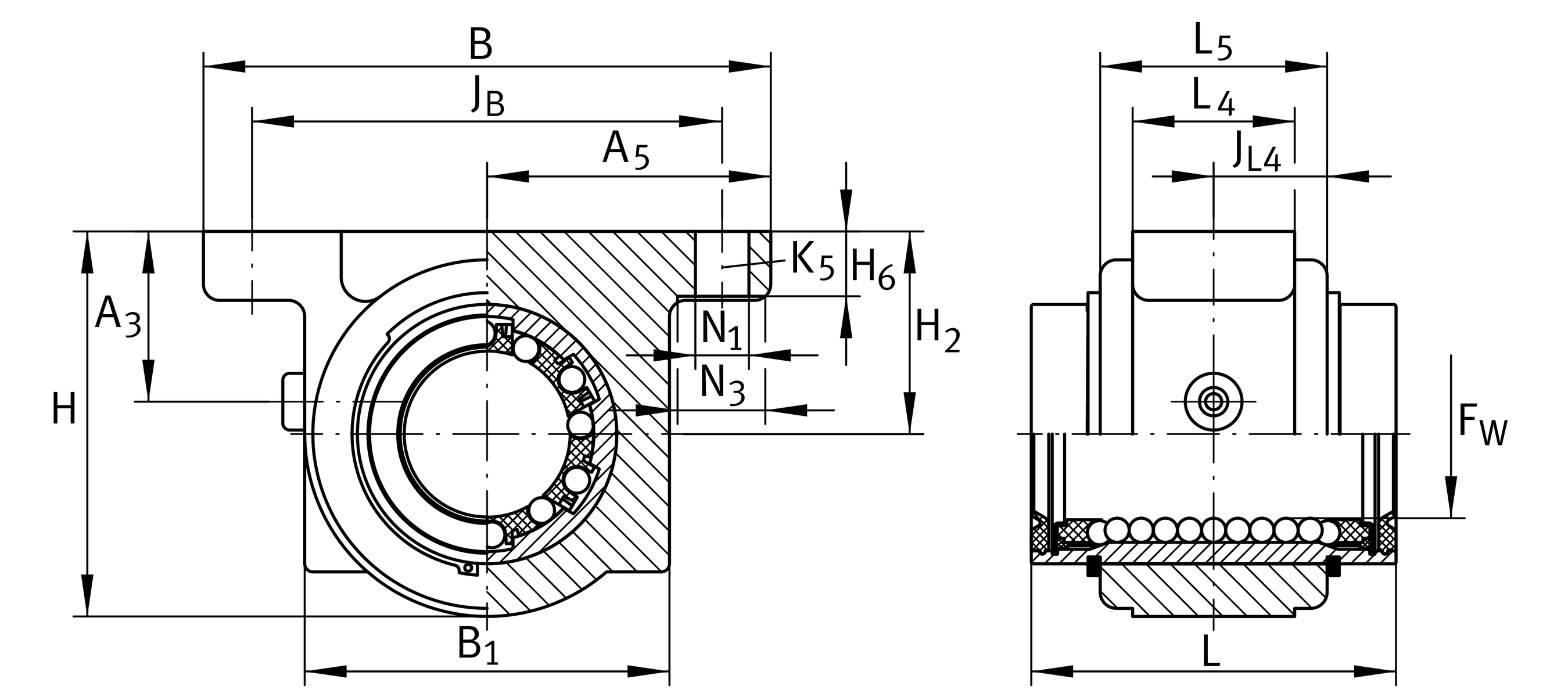
| FW | 30 mm | Diameter of ball complement |
| Tol FW | +0,011 | 公差上限 |
| Tol FW | -0,001 | 較低的公差 |
| H | 66.5 mm | heigth |
| L | 68 mm | 長度 |
| Tol L | h12 | tolerance |
| B | 88 mm | 寬度 |
| C | 3,600 N | load capacity dyn. 1 |
| C0 | 2,850 N | load capacity stat. 1 |
| ≈m | 0.9 kg | 重量 |
| JB | 76 mm | |
| Tol JB | +0,2 | 公差上限 |
| Tol JB | -0,2 | 較低的公差 |
| B1 | 63 mm | |
| A5 | 44 mm | |
| Tol A5 | +0,02 | 公差上限 |
| Tol A5 | -0,02 | 較低的公差 |
| L4 | 32 mm | Distance |
| L5 | 48 mm | Distance |
| J L4 | 24 mm | Distance |
| H2 | 35 mm | Center height |
| Tol H2 | +0,015 | 公差上限 |
| Tol H2 | -0,015 | 較低的公差 |
| A3 | 25 mm | |
| H6 | 10 mm | |
| N1 | 6.6 mm | |
| N3 | 11 mm | |
| K5 | M6 | 2 |
| K8 | NIPA2 | Lubrication nipple |
6 | Ball rows |
| Size code | 30 | |
| Seal | PP | |
| Relubrication feature | AS |