PRODUCTS
- 首頁
- 產品介紹
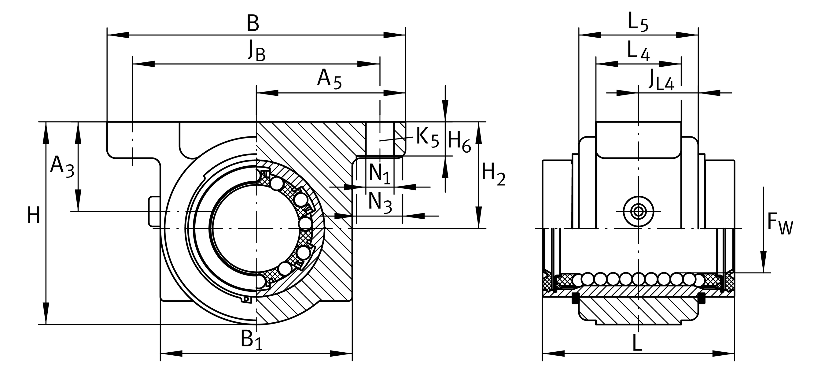
| FW | 20 mm | Diameter of ball complement |
| Tol FW | +0,009 | 公差上限 |
| Tol FW | -0,001 | 較低的公差 |
| H | 47.5 mm | heigth |
| L | 45 mm | 長度 |
| Tol L | h12 | tolerance |
| B | 70 mm | 寬度 |
| C | 1,570 N | load capacity dyn. 1 |
| C0 | 1,230 N | load capacity stat. 1 |
| ≈m | 0.3 kg | 重量 |
| JB | 58 mm | |
| Tol JB | +0,15 | 公差上限 |
| Tol JB | -0,15 | 較低的公差 |
| B1 | 45 mm | |
| A5 | 35 mm | |
| Tol A5 | +0,02 | 公差上限 |
| Tol A5 | -0,02 | 較低的公差 |
| L4 | 20 mm | Distance |
| L5 | 28 mm | Distance |
| J L4 | 14 mm | Distance |
| H2 | 25 mm | Center height |
| Tol H2 | +0,015 | 公差上限 |
| Tol H2 | -0,015 | 較低的公差 |
| A3 | 21 mm | |
| H6 | 8 mm | |
| N1 | 6.6 mm | |
| N3 | 11 mm | |
| K5 | M6 | 2 |
| K8 | NIPA1 | Lubrication nipple |
6 | Ball rows |
| Size code | 20 | |
| Seal | PP | |
| Relubrication feature | AS |